Şirket Logosu
Sağ Logo
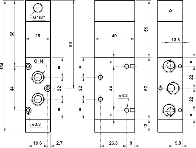
Ankasan Sensör Teknolojileri – 522 MCS 01.004.4 Ürün Detayı

AZ Pneumatica > Pnömatik > AZ Pneumatica > Pnömatik Valfler > Pnömatik Uyarılı Valfler > G1/4" Valfler

522 MCS - 01.004.4

G1/4" Valf

Öne Çıkan Özellikler

5/2 1/4" pnömatik kontrol

bahar dönüşü

minimum çalıştırma basıncı 0,6 bar

📄 Datasheet İndir 💬 Teklif Al

WhatsApp
Ankasan
Çevrimiçi

Merhaba 👋
Size nasıl yardımcı olabiliriz?