Şirket Logosu
Sağ Logo
Ankasan Sensör Teknolojileri – 47.416.0 47.416.0 Ürün Detayı

AZ Pneumatica > Pnömatik > AZ Pneumatica > Pnömatik Silindirler > Yataklama Ünitesi > H Tipi Yataklama Ünitesi

47.416.0 - 47.416.0

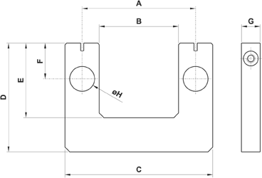
H Tipi Yataklama Ünitesi

Öne Çıkan Özellikler

"H" kılavuz ünitesi ø80 için sabitleme plakası

📄 Datasheet İndir 💬 Teklif Al

WhatsApp
Ankasan
Çevrimiçi

Merhaba 👋
Size nasıl yardımcı olabiliriz?