Şirket Logosu
Sağ Logo
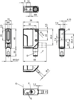
Ankasan Sensör Teknolojileri – ODSL 8/V66-200-S12 50105761 Ürün Detayı

Leuze

ODSL 8/V66-200-S12 - 50105761

Optik Mesafe Sensörü

Öne Çıkan Özellikler

nan

💬 Teklif Al

WhatsApp
Ankasan
Çevrimiçi

Merhaba 👋
Size nasıl yardımcı olabiliriz?