Şirket Logosu
Sağ Logo
Ankasan Sensör Teknolojileri – Z788.R 071812 Ürün Detayı

Pepperl Fuchs > Tehlikeli Alan Ürünleri ve Çözümleri > Zener Bariyerler > Modüller

Z788.R - 071812

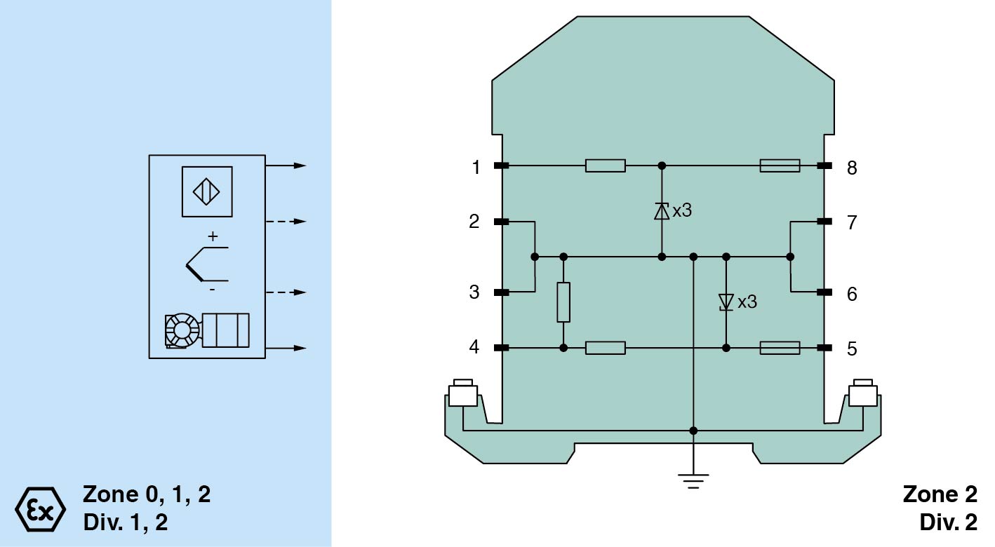
Zener Bariyer

Öne Çıkan Özellikler

2-channel

DC version, positive polarity

Working voltage 26.5 V/6.5 V at 10 µA

Series resistance max. 327 Ω/64 Ω

Fuse rating 50 mA

DIN rail mountable

Asymmetrical version

Internal measuring resistor

📄 Datasheet İndir 💬 Teklif Al

WhatsApp
Ankasan
Çevrimiçi

Merhaba 👋
Size nasıl yardımcı olabiliriz?