Şirket Logosu
Sağ Logo
Ankasan Sensör Teknolojileri – Z786 071814 Ürün Detayı

Pepperl Fuchs > Tehlikeli Alan Ürünleri ve Çözümleri > Zener Bariyerler > Modüller

Z786 - 071814

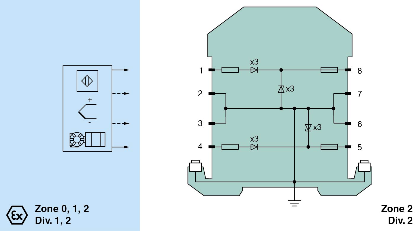
Zener Bariyer

Öne Çıkan Özellikler

2-channel

DC version, positive polarity

Working voltage 26.5 V at 10 µA

Series resistance max. 36 Ω + 0.9 V

Fuse rating 50 mA

DIN rail mountable

With diode return

📄 Datasheet İndir 💬 Teklif Al

WhatsApp
Ankasan
Çevrimiçi

Merhaba 👋
Size nasıl yardımcı olabiliriz?