Şirket Logosu
Sağ Logo
Ankasan Sensör Teknolojileri – Z887.H.F 072208 Ürün Detayı

Pepperl Fuchs > Tehlikeli Alan Ürünleri ve Çözümleri > Zener Bariyerler > Modüller

Z887.H.F - 072208

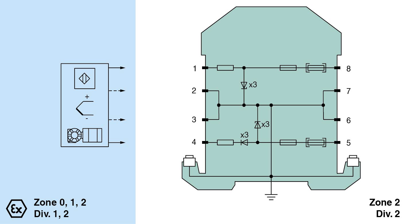
Zener Bariyer

Öne Çıkan Özellikler

2-channel

DC version, negative polarity

Working voltage 26.5 V at 10 µA

Series resistance max. 273 Ω

Fuse rating 50 mA

DIN rail mountable

High power version

Replaceable back-up fuse

With diode return

📄 Datasheet İndir 💬 Teklif Al

WhatsApp
Ankasan
Çevrimiçi

Merhaba 👋
Size nasıl yardımcı olabiliriz?