Şirket Logosu
Sağ Logo
Ankasan Sensör Teknolojileri – VBA-4E3A-G4-ZE/E2 088725 Ürün Detayı

Pepperl Fuchs > Endüstriyel Haberleşme ve Arayüzler > AS-i Arayüzü > Modüller

VBA-4E3A-G4-ZE/E2 - 088725

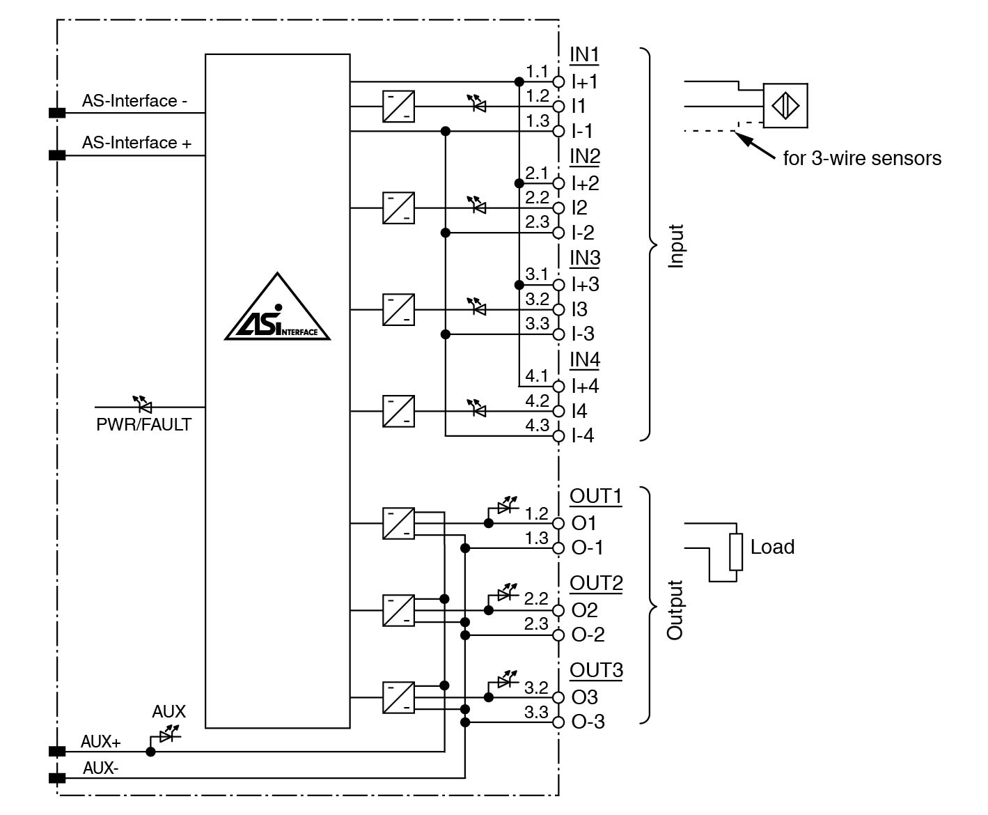
As-I Arayüzü Sensör/Aktüatör Modülü

Öne Çıkan Özellikler

Degree of protection IP65

A/B node with extended addressing possibility for up to 62 nodes

Flat or round cable connection (via standardized EEMS base, not included with delivery)

Cable piercing method for flat cable

Inputs for 2- and 3-wire sensors

Power supply of outputs from the external auxiliary voltage

Power supply of inputs from the module

Function display for bus, ext. auxiliary voltage, inputs and outputs

LED indicator for overload on sensor supply

📄 Datasheet İndir 💬 Teklif Al

WhatsApp
Ankasan
Çevrimiçi

Merhaba 👋
Size nasıl yardımcı olabiliriz?