Şirket Logosu
Sağ Logo
Ankasan Sensör Teknolojileri – NBN3-F31K-E8-V1-V1 097642 Ürün Detayı

Pepperl Fuchs > Endüstriyel Sensörler > Yakınlık Sensörleri > Endüktif Sensörler

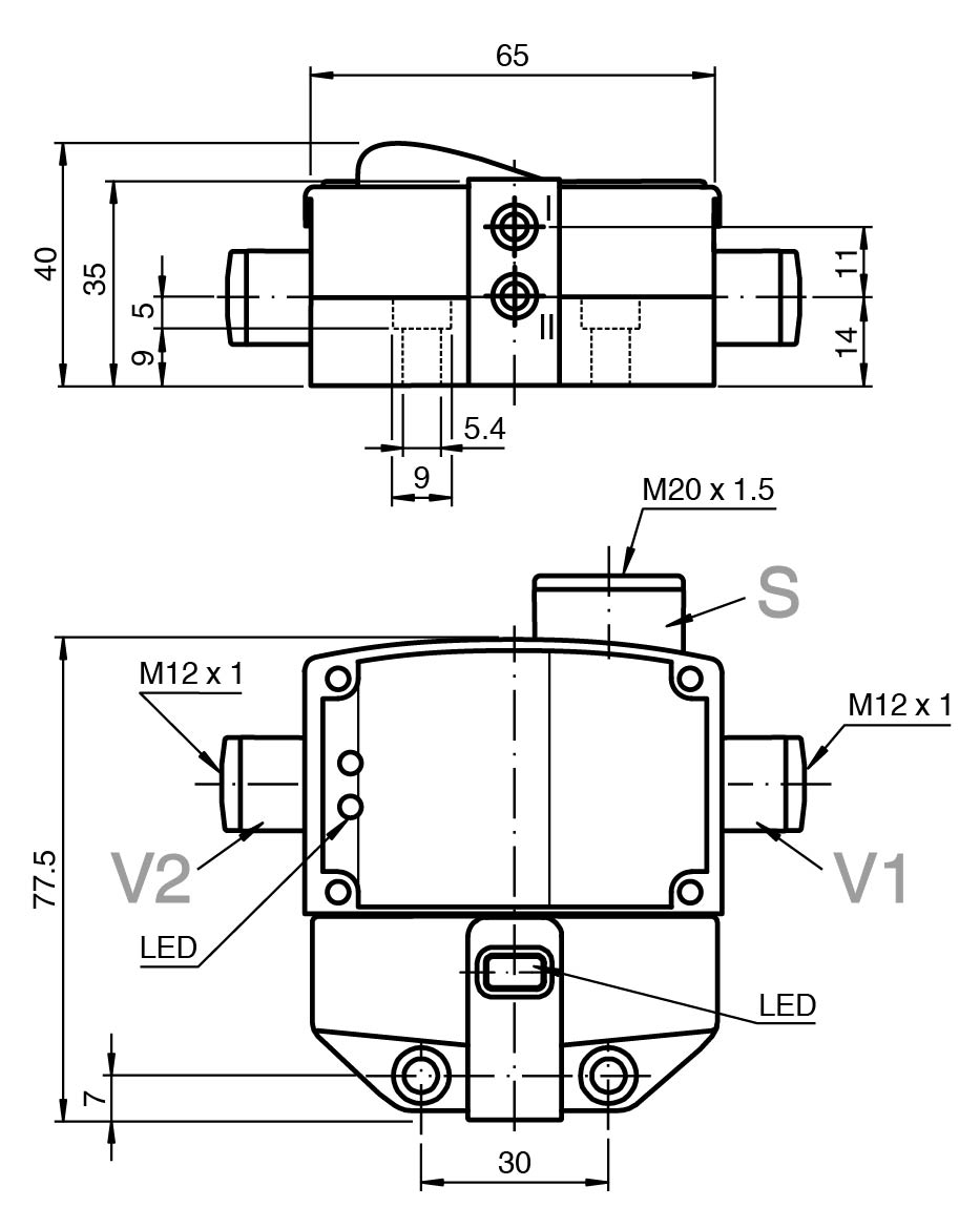
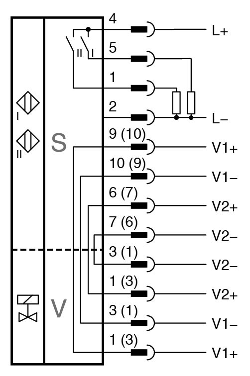
NBN3-F31K-E8-V1-V1 - 097642

Endüktif Sensör

Öne Çıkan Özellikler

Direct mounting on standard actuators

Fixed setting

LED for power on

LEDs for switching state of sensor and solenoid valve

📄 Datasheet İndir 💬 Teklif Al

WhatsApp
Ankasan
Çevrimiçi

Merhaba 👋
Size nasıl yardımcı olabiliriz?