Şirket Logosu
Sağ Logo
Ankasan Sensör Teknolojileri – IPH-18GM-V1 121115 Ürün Detayı

Pepperl Fuchs > Endüstriyel Sensörler > RFID ve Optik Tanımlama > RFID Okuma/Yazma Cihazları

IPH-18GM-V1 - 121115

Rfid Okuma/Yazma Cihazı

Öne Çıkan Özellikler

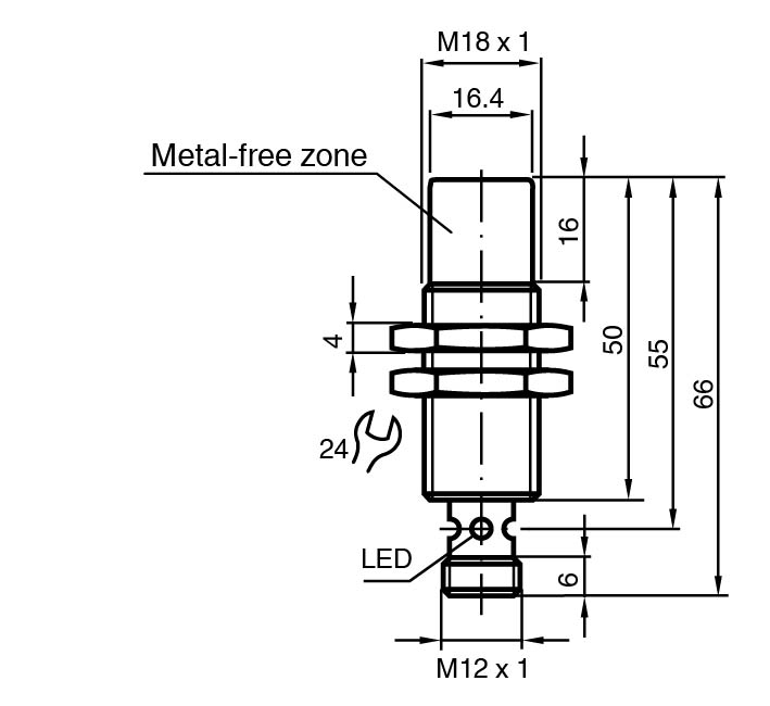
Read/write head with thread M18 x 1

Connection via V1 (M12 x 1) plug connection

Multihole-LED for function display

Degree of protection IP67

For connection to IDENTControl evaluation unit

📄 Datasheet İndir 💬 Teklif Al

WhatsApp
Ankasan
Çevrimiçi

Merhaba 👋
Size nasıl yardımcı olabiliriz?