Şirket Logosu
Sağ Logo
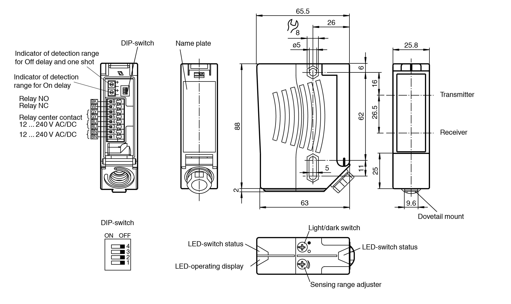
Ankasan Sensör Teknolojileri – RLK28-8-H-400-RT-Z/31/116 134132 Ürün Detayı

Pepperl Fuchs > Endüstriyel Sensörler > Fotoelektrik Sensörler > Cisimden Yansımalı Sensörler

RLK28-8-H-400-RT-Z/31/116 - 134132

Arka Fon Bastırma Sensörü

Öne Çıkan Özellikler

Universal series with highly versatile fields of use

Resistant against noise: reliable operation under all conditions

Good alignability due to red transmission LED

Programmable time function GAN, GAB, IAB and GAN-IAB as double function

Version for universal voltages

📄 Datasheet İndir 💬 Teklif Al

WhatsApp
Ankasan
Çevrimiçi

Merhaba 👋
Size nasıl yardımcı olabiliriz?