Şirket Logosu
Sağ Logo
Ankasan Sensör Teknolojileri – WCS3B-LS221ES-OM 199290-0051 Ürün Detayı

Pepperl Fuchs > Endüstriyel Sensörler > Konumlandırma Sistemleri > Optik Doğrusal Konumlandırma Sistemleri

WCS3B-LS221ES-OM - 199290-0051

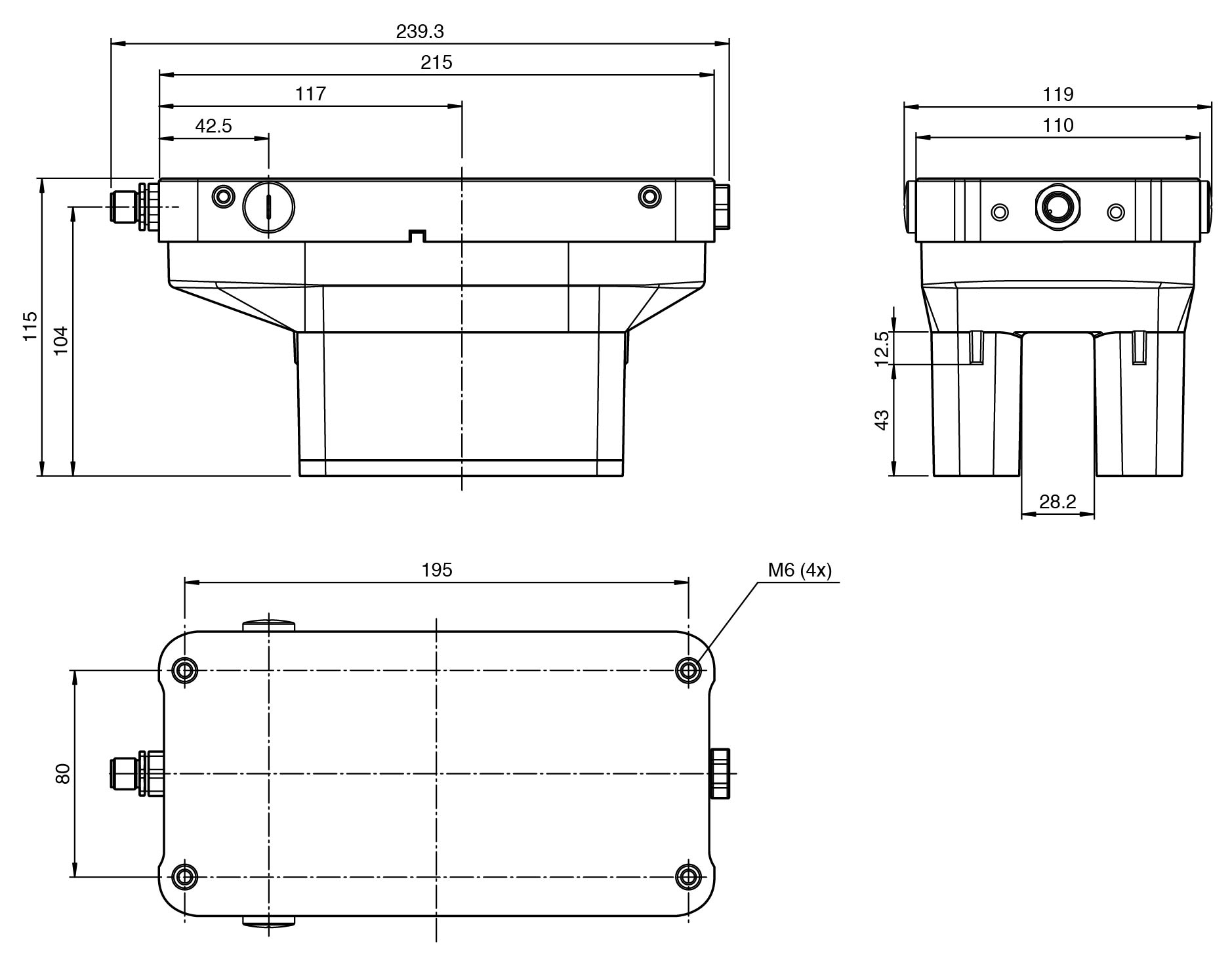
Okuma Kafası

Öne Çıkan Özellikler

For outdoor use

Non-contact, Mutlak position encoder

Extended temperature range

Automatic detection of dirt accumulation

RS-485 interface

Freely selectable cable outlet due to rotating insert

Measuring length max. 629 m

📄 Datasheet İndir 💬 Teklif Al

WhatsApp
Ankasan
Çevrimiçi

Merhaba 👋
Size nasıl yardımcı olabiliriz?