Şirket Logosu
Sağ Logo
Ankasan Sensör Teknolojileri – WCS3B-LS810DS 199290-0060 Ürün Detayı

Pepperl Fuchs > Endüstriyel Sensörler > Konumlandırma Sistemleri > Optik Doğrusal Konumlandırma Sistemleri

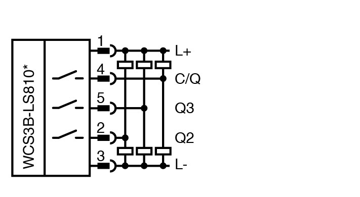
WCS3B-LS810DS - 199290-0060

Okuma Kafası

Öne Çıkan Özellikler

IO-Link interface for service and process data

Non-contact, Mutlak position encoder

Automatic detection of dirt accumulation

Integrated display module

Output of position and speed

Acceleration measurement in 3 axis

Output of the ID number for ID pads

📄 Datasheet İndir 💬 Teklif Al

WhatsApp
Ankasan
Çevrimiçi

Merhaba 👋
Size nasıl yardımcı olabiliriz?