Şirket Logosu
Sağ Logo
Ankasan Sensör Teknolojileri – NDP-KE2-8E2 200660 Ürün Detayı

Pepperl Fuchs > Endüstriyel Sensörler > Aksesuarlar > Kablosuz Endüktif Sistem (WIS)

NDP-KE2-8E2 - 200660

Wis Modülü Birincil

Öne Çıkan Özellikler

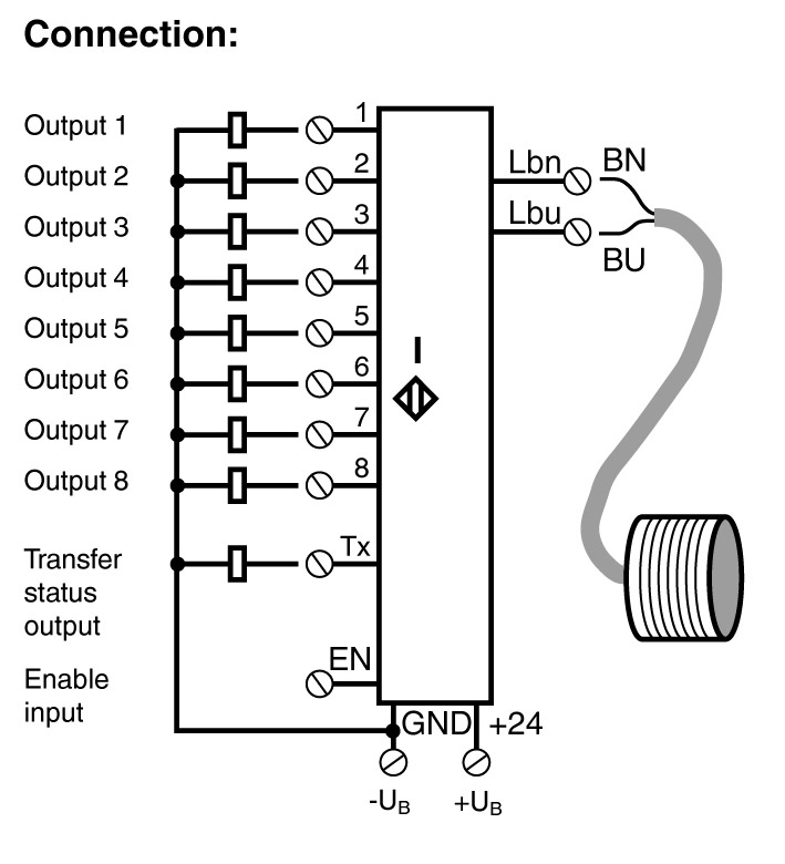
8 channels

9 outputs

LEDs for display of the output states and communication

Deactivation option

Housing with removable terminals

DIN rail mounting

For connection of 1 transmitter head

Can only be used in conjunction with NDP5-30GM series WIS transmitter

📄 Datasheet İndir 💬 Teklif Al

WhatsApp
Ankasan
Çevrimiçi

Merhaba 👋
Size nasıl yardımcı olabiliriz?