Şirket Logosu
Sağ Logo
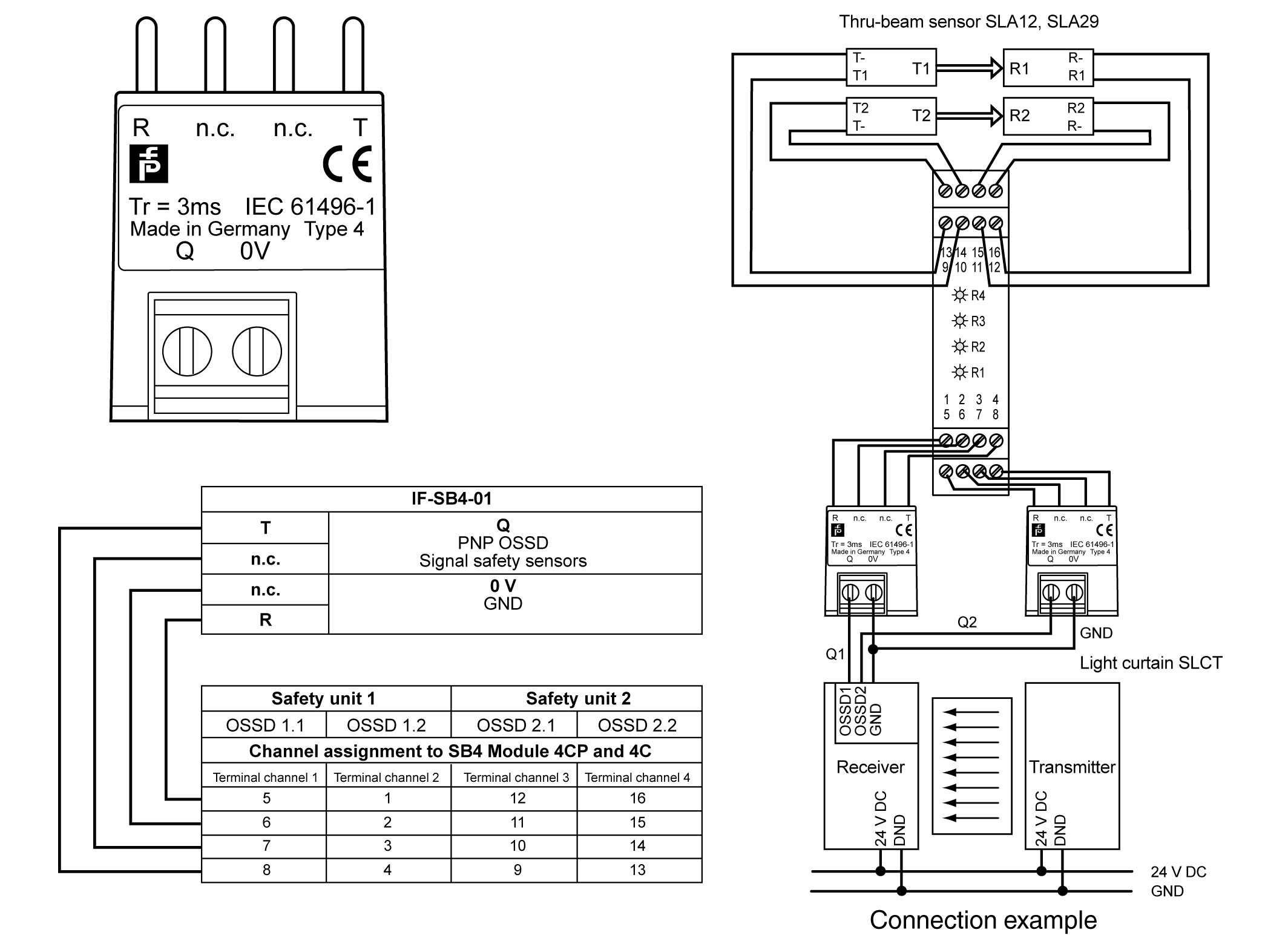
Ankasan Sensör Teknolojileri – IF-SB4-01 213003 Ürün Detayı

Pepperl Fuchs > Endüstriyel Sensörler > Fabrika Otomasyonu için Emniyet > Performance Level e

IF-SB4-01 - 213003

Safety control unit module

Öne Çıkan Özellikler

nan

📄 Datasheet İndir 💬 Teklif Al

WhatsApp
Ankasan
Çevrimiçi

Merhaba 👋
Size nasıl yardımcı olabiliriz?