Şirket Logosu
Sağ Logo
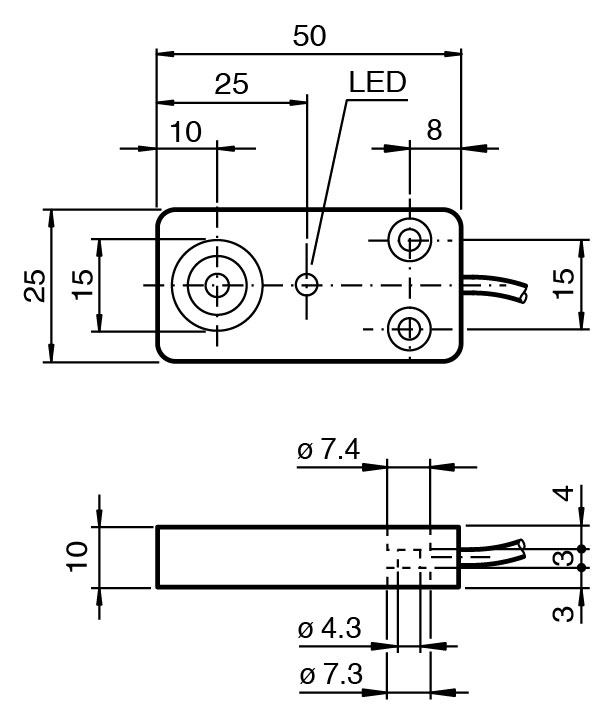
Ankasan Sensör Teknolojileri – NBN10-F33-E3-M 220782 Ürün Detayı

Pepperl Fuchs > Endüstriyel Sensörler > Yakınlık Sensörleri > Endüktif Sensörler

NBN10-F33-E3-M - 220782

Endüktif Sensör

Öne Çıkan Özellikler

Extended temperature range

-40 ... +85 °C

E1-Type approval

Increased operating distance

Increased noise immunity 100 V/m

📄 Datasheet İndir 💬 Teklif Al

WhatsApp
Ankasan
Çevrimiçi

Merhaba 👋
Size nasıl yardımcı olabiliriz?