Şirket Logosu
Sağ Logo
Ankasan Sensör Teknolojileri – FB1209B3 223079 Ürün Detayı

Pepperl Fuchs > Tehlikeli Alan Ürünleri ve Çözümleri > Remote I/O Sistemleri > FB (Zone 1)

FB1209B3 - 223079

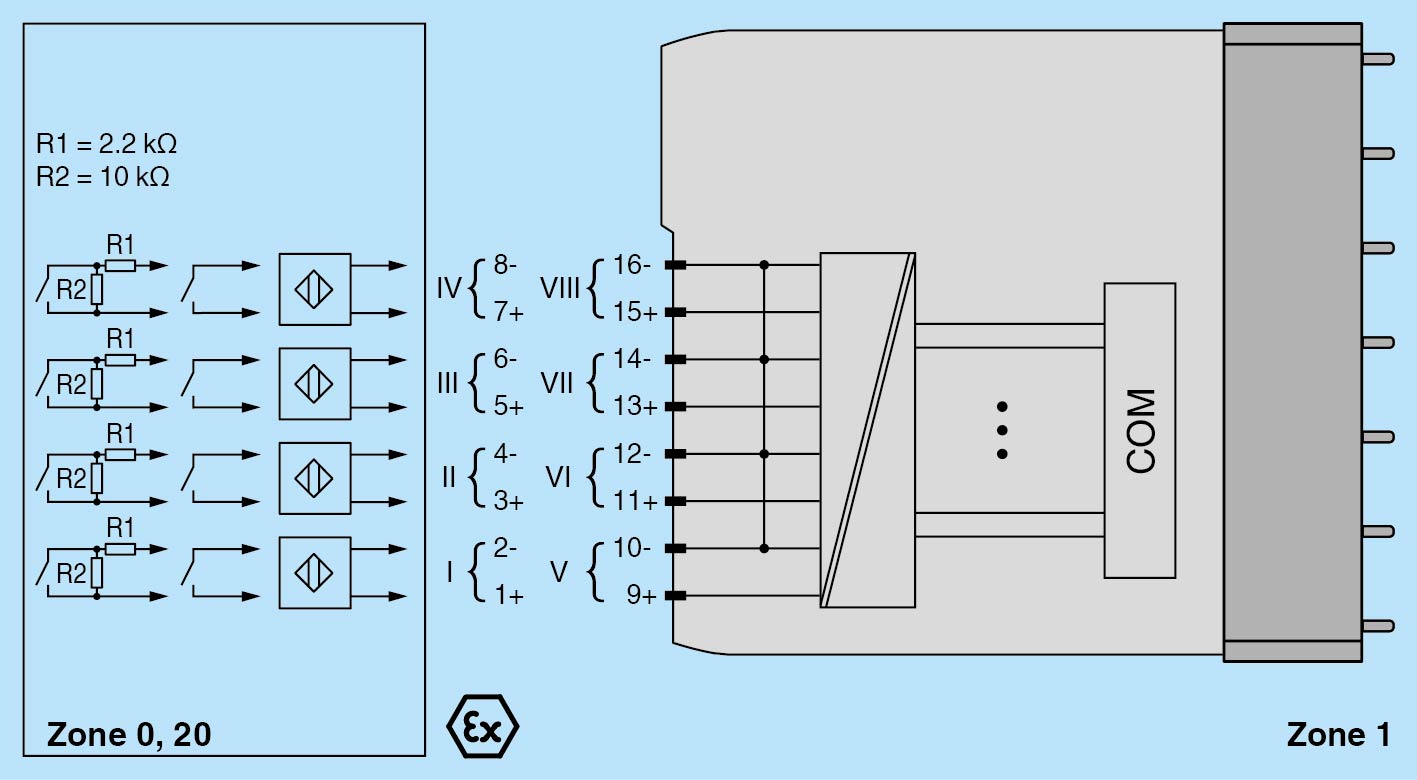
Dijital Giriş

Öne Çıkan Özellikler

8-channel

Inputs Ex ia

Installation in suitable Muhafazalar in Zone 1

Module can be exchanged under voltage (hot swap)

Dry contact or NAMUR inputs

Positive or negative logic selectable

Simulation mode for service operations (forcing)

Line fault detection (LFD)

Permanently self-monitoring

On/Off delay

📄 Datasheet İndir 💬 Teklif Al

WhatsApp
Ankasan
Çevrimiçi

Merhaba 👋
Size nasıl yardımcı olabiliriz?