Şirket Logosu
Sağ Logo
Ankasan Sensör Teknolojileri – FB7204B3 223085 Ürün Detayı

Pepperl Fuchs > Tehlikeli Alan Ürünleri ve Çözümleri > Remote I/O Sistemleri > FB (Zone 1)

FB7204B3 - 223085

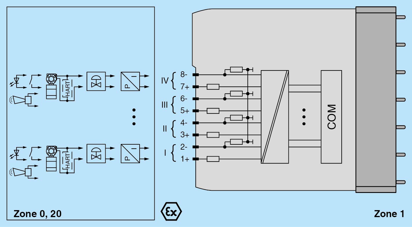
Evrensel Giriş/Çıkış (Hart)

Öne Çıkan Özellikler

4-channel

Inputs Ex ia, Outputs Ex ia

Installation in suitable Muhafazalar in Zone 1

Module can be exchanged under voltage (hot swap)

Analog input, digital input,

analog output, digital output

Supply circuit 21.5 V (4 mA)

HART communication via field bus or service bus

Simulation mode for service operations (forcing)

Line fault detection (LFD): one LED per channel

Permanently self-monitoring

📄 Datasheet İndir 💬 Teklif Al

WhatsApp
Ankasan
Çevrimiçi

Merhaba 👋
Size nasıl yardımcı olabiliriz?