Şirket Logosu
Sağ Logo
Ankasan Sensör Teknolojileri – NCN3-F31-B3B-V1-V1 226325 Ürün Detayı

Pepperl Fuchs > Endüstriyel Sensörler > Yakınlık Sensörleri > Endüktif Sensörler

NCN3-F31-B3B-V1-V1 - 226325

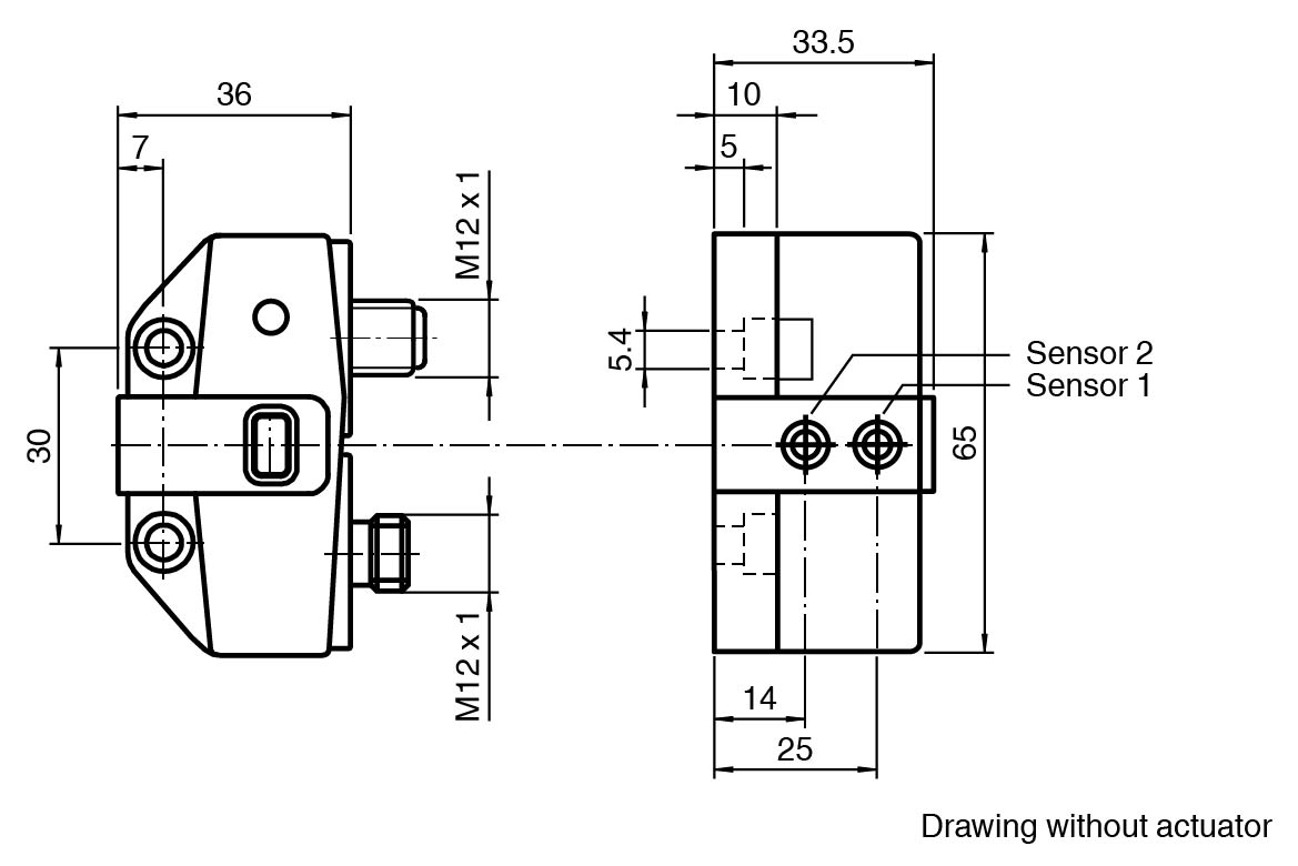
Endüktif Sensör

Öne Çıkan Özellikler

Direct mounting on standard actuators

A/B node with extended addressing possibility for up to 62 nodes

Mode of operation, programmable

Degree of protection IP67

Communication monitoring, turn-off

Lead breakage and short-circuit monitoring of the valve

📄 Datasheet İndir 💬 Teklif Al

WhatsApp
Ankasan
Çevrimiçi

Merhaba 👋
Size nasıl yardımcı olabiliriz?