Şirket Logosu
Sağ Logo
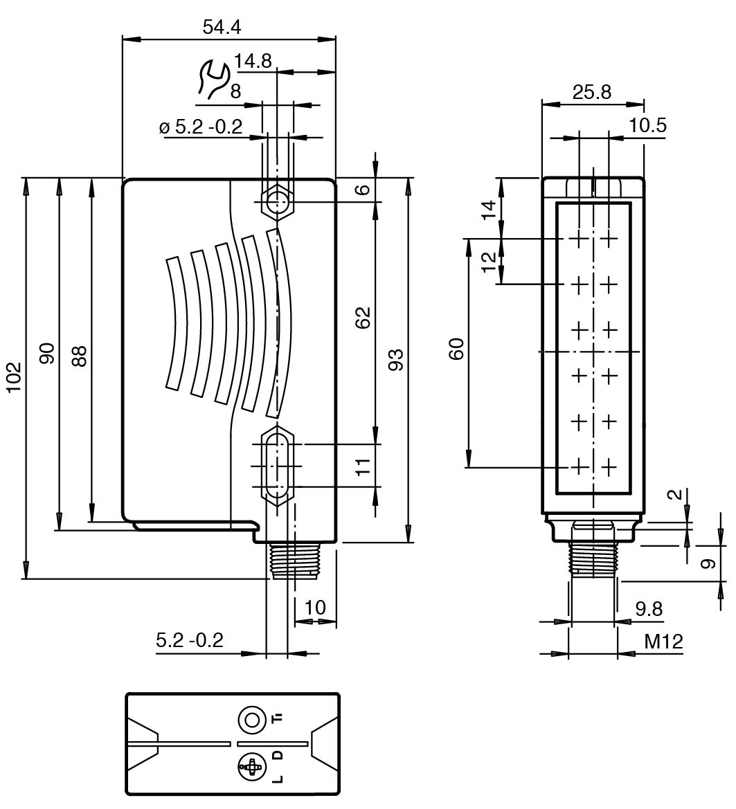
Ankasan Sensör Teknolojileri – RLG28-55-4921/40a/73c/136 227596 Ürün Detayı

Pepperl Fuchs > Endüstriyel Sensörler > Fotoelektrik Sensörler > Işık Bariyerleri

RLG28-55-4921/40a/73c/136 - 227596

Geri Yansıtıcı Alan Sensörü

Öne Çıkan Özellikler

Retro-reflective area sensor with 6 light beams in standard photoelectric-sensor enclosure

Connection compatibly replaces single beam photoelectric sensor

Reliable detection of the front edge of the object irrespective of its shape and position

Constant object detection from 12 mm within the entire detection area

Reliable detection of all surfaces irrespective of the object texture

Switches when contrast difference 10%

Bright, highly visible transmitter beams guarantee convenient alignment of the sensor

📄 Datasheet İndir 💬 Teklif Al

WhatsApp
Ankasan
Çevrimiçi

Merhaba 👋
Size nasıl yardımcı olabiliriz?