Şirket Logosu
Sağ Logo
Ankasan Sensör Teknolojileri – V31-WM-A2-20M-PUR 235778 Ürün Detayı

Pepperl Fuchs > Endüstriyel Sensörler > Bağlantı Teknolojisi > Sensör-Aktüatör Kabloları

V31-WM-A2-20M-PUR - 235778

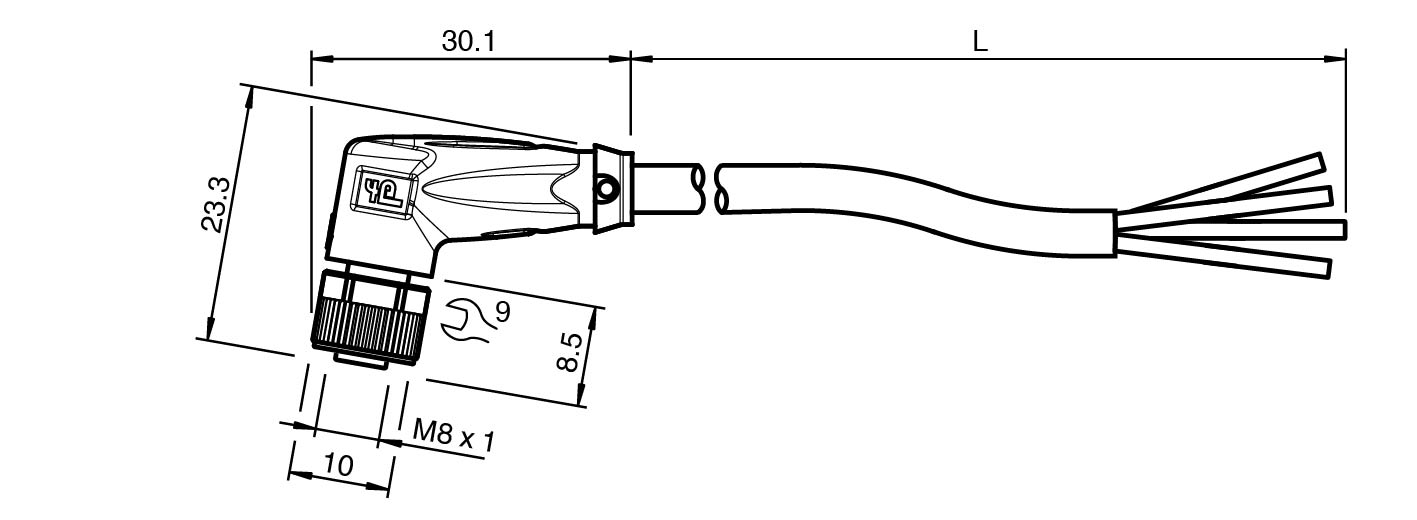
Dişi Konnektörlü Kablo

Öne Çıkan Özellikler

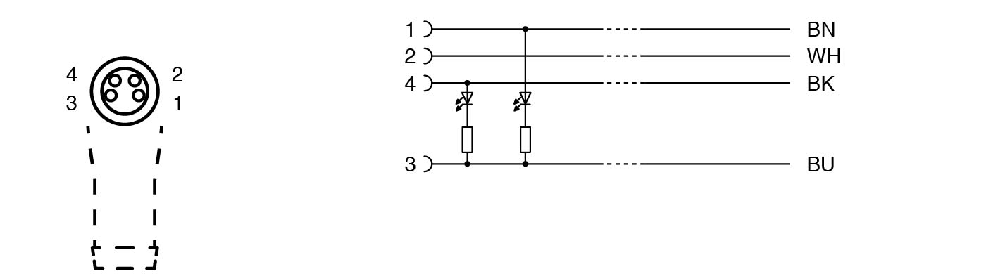
Built-in LED, as operating and function indicator

Degree of protection IP68

Resistant to microbes and hydrolysis

Halogen-free

Specific design protects against loosening and inaccurate installation

📄 Datasheet İndir 💬 Teklif Al

WhatsApp
Ankasan
Çevrimiçi

Merhaba 👋
Size nasıl yardımcı olabiliriz?