Şirket Logosu
Sağ Logo
Ankasan Sensör Teknolojileri – FB6306B2 238526 Ürün Detayı

Pepperl Fuchs > Tehlikeli Alan Ürünleri ve Çözümleri > Remote I/O Sistemleri > FB (Zone 1)

FB6306B2 - 238526

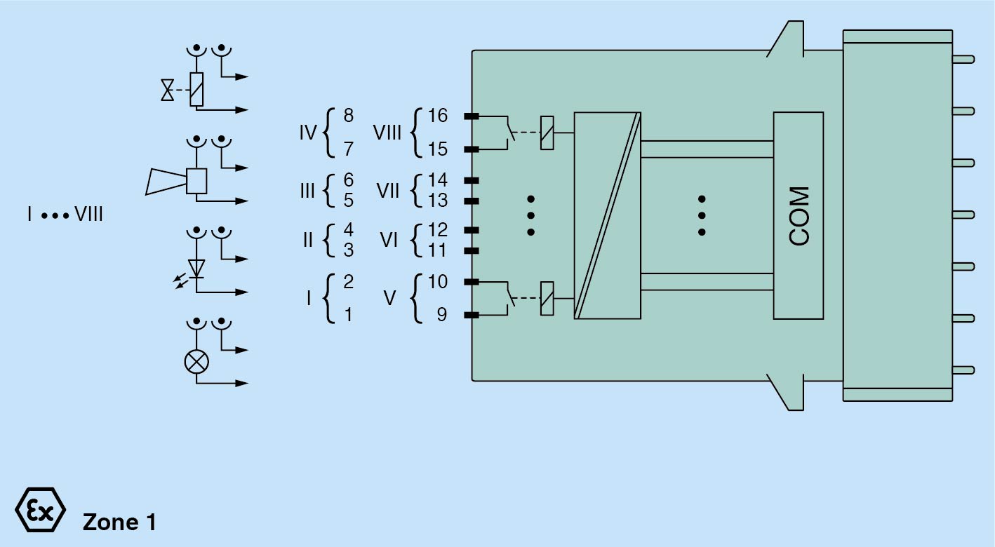
Röle Çıkışı

Öne Çıkan Özellikler

8-channel

Outputs with plug-in Ex e terminals

Installation in suitable Muhafazalar in Zone 1

Module can be exchanged under voltage (hot swap)

Positive or negative logic selectable

Simulation mode for service operations (forcing)

Permanently self-monitoring

Output with watchdog

📄 Datasheet İndir 💬 Teklif Al

WhatsApp
Ankasan
Çevrimiçi

Merhaba 👋
Size nasıl yardımcı olabiliriz?