Şirket Logosu
Sağ Logo
Ankasan Sensör Teknolojileri – FB7304B3 239065 Ürün Detayı

Pepperl Fuchs > Tehlikeli Alan Ürünleri ve Çözümleri > Remote I/O Sistemleri > FB (Zone 1)

FB7304B3 - 239065

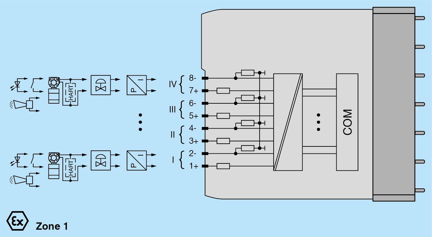
Evrensel Giriş/Çıkış (Hart)

Öne Çıkan Özellikler

4-channel

Inputs with plug-in Ex e terminals

Installation in suitable Muhafazalar in Zone 1

Module can be exchanged under voltage (hot swap)

Analog input, digital input,

analog output, digital output

Supply circuit 21.5 V (4 mA)

HART communication via field bus or service bus

Simulation mode for service operations (forcing)

Line fault detection (LFD): one LED per channel

Permanently self-monitoring

📄 Datasheet İndir 💬 Teklif Al

WhatsApp
Ankasan
Çevrimiçi

Merhaba 👋
Size nasıl yardımcı olabiliriz?