Şirket Logosu
Sağ Logo
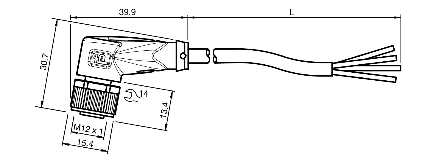
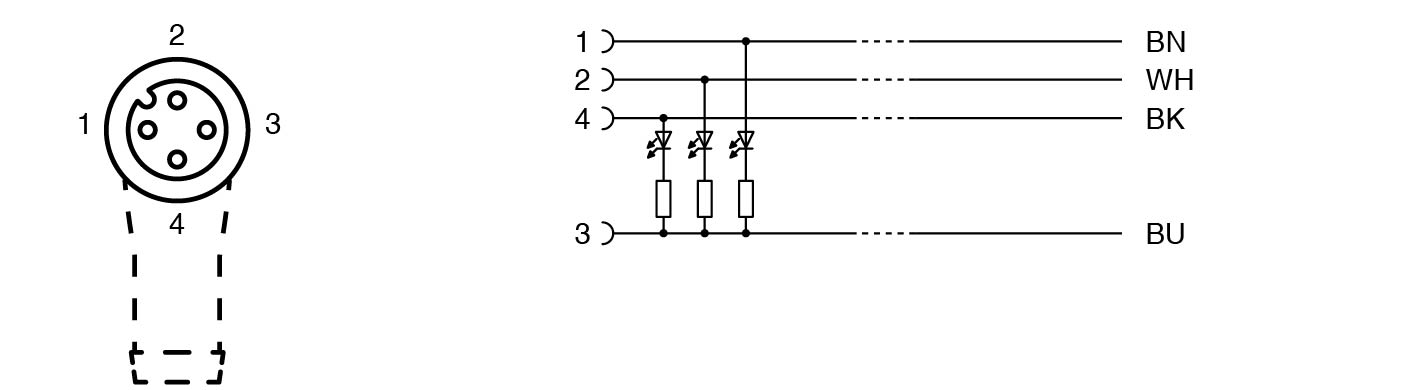
Ankasan Sensör Teknolojileri – V1-W-E8W-BK1M-PUR-A 240003-0002 Ürün Detayı

Pepperl Fuchs > Endüstriyel Sensörler > Bağlantı Teknolojisi > Sensör-Aktüatör Kabloları

V1-W-E8W-BK1M-PUR-A - 240003-0002

Dişi Konnektörlü Kablo

Öne Çıkan Özellikler

Improved resistance to weld spatter

Suitable for drag chains and abrasion resistant

Suitable for robotic applications / torsion resistant

Built-in LED, as operating and function indicator

Degree of protection IP68 / IP69

Free of paint wetting interfering substances

Resistant to microbes and hydrolysis

UL listed for USA and Canada

Halogen-free

Specific design protects against loosening and inaccurate installation

📄 Datasheet İndir 💬 Teklif Al

WhatsApp
Ankasan
Çevrimiçi

Merhaba 👋
Size nasıl yardımcı olabiliriz?