Şirket Logosu
Sağ Logo
Ankasan Sensör Teknolojileri – V31-WM-A2-BK5M-PUR-U 240802-0001 Ürün Detayı

Pepperl Fuchs > Endüstriyel Sensörler > Bağlantı Teknolojisi > Sensör-Aktüatör Kabloları

V31-WM-A2-BK5M-PUR-U - 240802-0001

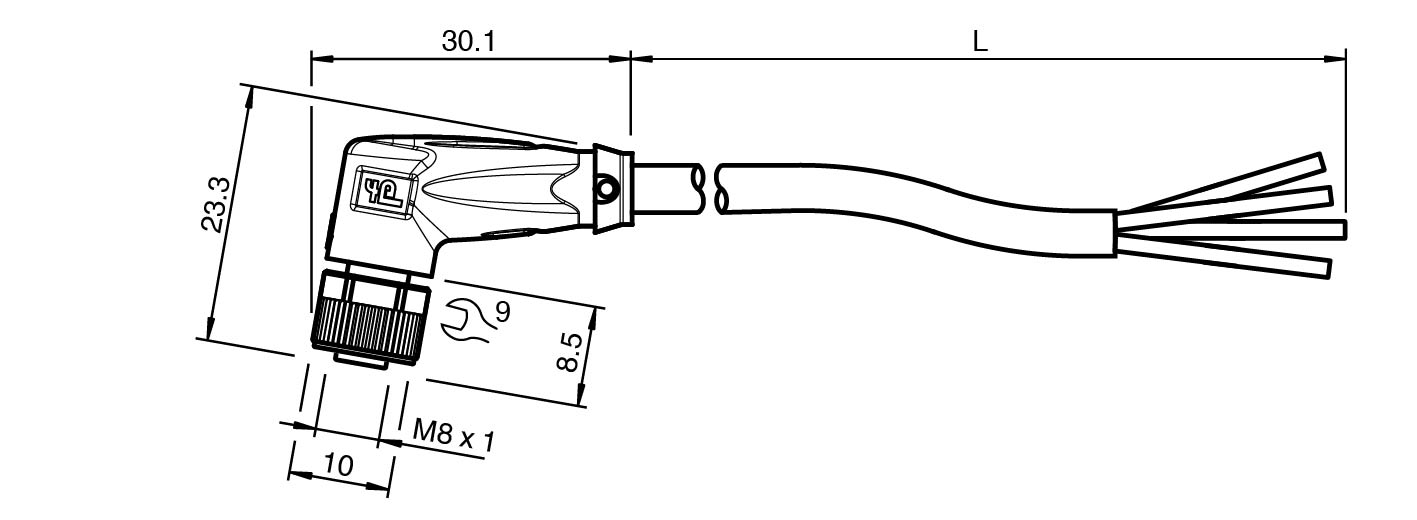
Dişi Konnektörlü Kablo

Öne Çıkan Özellikler

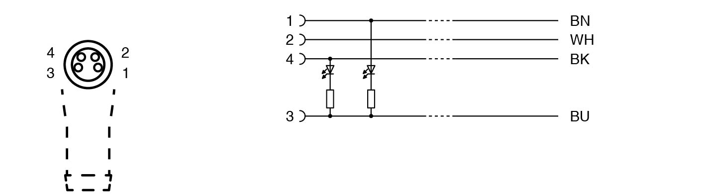
Built-in LED, as operating and function indicator

Suitable for drag chains and abrasion resistant

Suitable for robotic applications / torsion resistant

Degree of protection IP68

Free of paint wetting interfering substances

Resistant to microbes and hydrolysis

UV resistant

UL listed for USA and Canada

Halogen-free

Specific design protects against loosening and inaccurate installation

📄 Datasheet İndir 💬 Teklif Al

WhatsApp
Ankasan
Çevrimiçi

Merhaba 👋
Size nasıl yardımcı olabiliriz?