Şirket Logosu
Sağ Logo
Ankasan Sensör Teknolojileri – LB1009A 244407 Ürün Detayı

Pepperl Fuchs > Tehlikeli Alan Ürünleri ve Çözümleri > Remote I/O Sistemleri > LB (Zone 2, Class I/Div. 2)

LB1009A - 244407

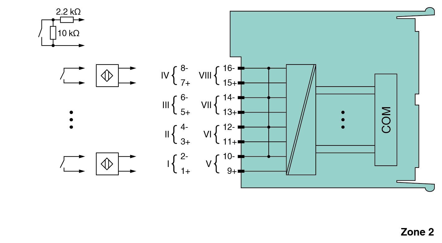
Dijital Giriş

Öne Çıkan Özellikler

8-channel

Inputs Ex ic

Installation in Zone 2 or safe area

Dry contact or NAMUR inputs

Positive or negative logic selectable

Simulation mode for service operations (forcing)

Line fault detection (LFD)

Permanently self-monitoring

Module can be exchanged under voltage

📄 Datasheet İndir 💬 Teklif Al

WhatsApp
Ankasan
Çevrimiçi

Merhaba 👋
Size nasıl yardımcı olabiliriz?