Şirket Logosu
Sağ Logo
Ankasan Sensör Teknolojileri – LB1008A 254613 Ürün Detayı

Pepperl Fuchs > Tehlikeli Alan Ürünleri ve Çözümleri > Remote I/O Sistemleri > LB (Zone 2, Class I/Div. 2)

LB1008A - 254613

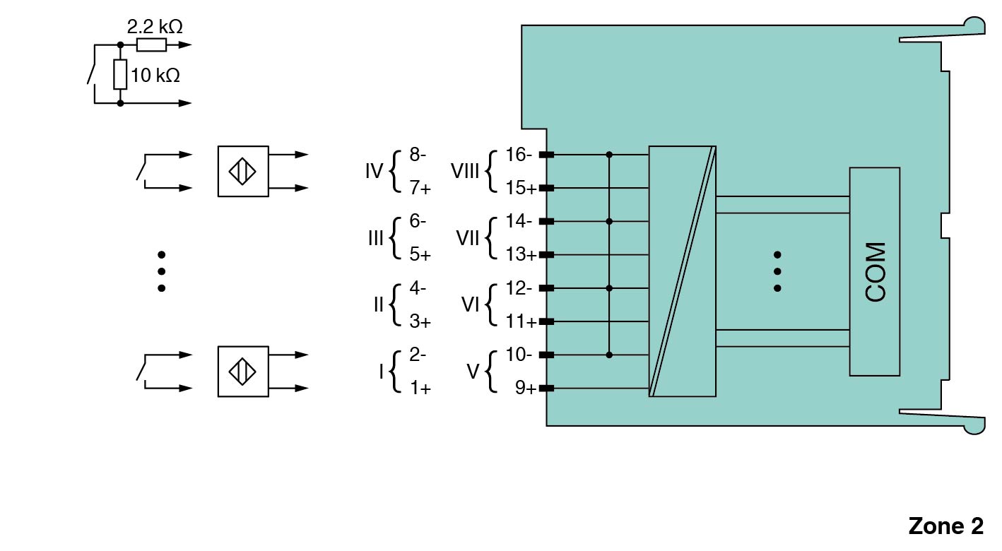
Dijital Giriş

Öne Çıkan Özellikler

8-channel

Dry contact or NAMUR inputs

Installation in Zone 2 or safe area

Positive or negative logic selectable

Simulation mode for service operations (forcing)

Line fault detection (LFD)

Permanently self-monitoring

Module can be exchanged under voltage

📄 Datasheet İndir 💬 Teklif Al

WhatsApp
Ankasan
Çevrimiçi

Merhaba 👋
Size nasıl yardımcı olabiliriz?