Şirket Logosu
Sağ Logo
Ankasan Sensör Teknolojileri – LB1101A 254620 Ürün Detayı

Pepperl Fuchs > Tehlikeli Alan Ürünleri ve Çözümleri > Remote I/O Sistemleri > LB (Zone 2, Class I/Div. 2)

LB1101A - 254620

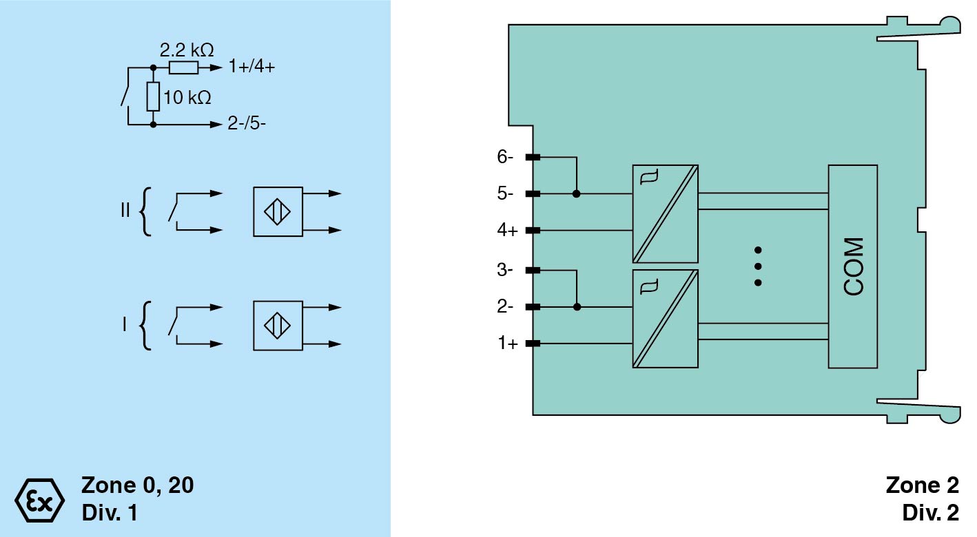
Dijital Giriş

Öne Çıkan Özellikler

2 channels

Inputs Ex ia

Mounting in Zone 2, Class I/Div.2 or in the safe area

Dry contact or NAMUR inputs

Galvanic isolation between channels and the bus

Positive or negative logic selectable

Simulation mode for service operations (forcing)

Line fault detection (LFD)

Permanently self-monitoring

Module can be exchanged under voltage

📄 Datasheet İndir 💬 Teklif Al

WhatsApp
Ankasan
Çevrimiçi

Merhaba 👋
Size nasıl yardımcı olabiliriz?