Şirket Logosu
Sağ Logo
Ankasan Sensör Teknolojileri – LB3002A2 254699 Ürün Detayı

Pepperl Fuchs > Tehlikeli Alan Ürünleri ve Çözümleri > Remote I/O Sistemleri > LB (Zone 2, Class I/Div. 2)

LB3002A2 - 254699

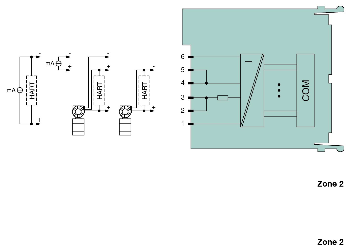
Hart Verici Güç Kaynağı, Giriş İzolatörü

Öne Çıkan Özellikler

1-channel

Power supply for 2- or 3-wire transmitters with 4 mA ... 20 mA

Installation in Zone 2 or safe area

Supply circuit 15 V (20 mA)

Input from active signals of 4-wire transmitters

HART communication via field bus or service bus

HART communication also for separately powered devices

Simulation mode for service operations (forcing)

Line fault detection (LFD) and Live Zero monitoring

Permanently self-monitoring

Module can be exchanged under voltage

📄 Datasheet İndir 💬 Teklif Al

WhatsApp
Ankasan
Çevrimiçi

Merhaba 👋
Size nasıl yardımcı olabiliriz?