Şirket Logosu
Sağ Logo
Ankasan Sensör Teknolojileri – LB3005A2 254700 Ürün Detayı

Pepperl Fuchs > Tehlikeli Alan Ürünleri ve Çözümleri > Remote I/O Sistemleri > LB (Zone 2, Class I/Div. 2)

LB3005A2 - 254700

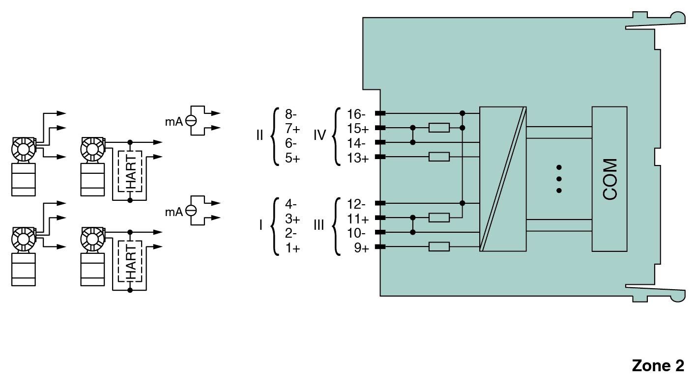
Hart Verici Güç Kaynağı, Giriş İzolatörü

Öne Çıkan Özellikler

4-channel

Power supply for 2-wire transmitters with 4 mA ... 20 mA

Installation in Zone 2 or safe area

Supply circuit 15 V (20 mA)

Input from active signals of 4-wire transmitters

HART communication via field bus or service bus

Simulation mode for service operations (forcing)

Line fault detection (LFD): one LED per channel

Permanently self-monitoring

📄 Datasheet İndir 💬 Teklif Al

WhatsApp
Ankasan
Çevrimiçi

Merhaba 👋
Size nasıl yardımcı olabiliriz?