Şirket Logosu
Sağ Logo
Ankasan Sensör Teknolojileri – LB4002A2 254718 Ürün Detayı

Pepperl Fuchs > Tehlikeli Alan Ürünleri ve Çözümleri > Remote I/O Sistemleri > LB (Zone 2, Class I/Div. 2)

LB4002A2 - 254718

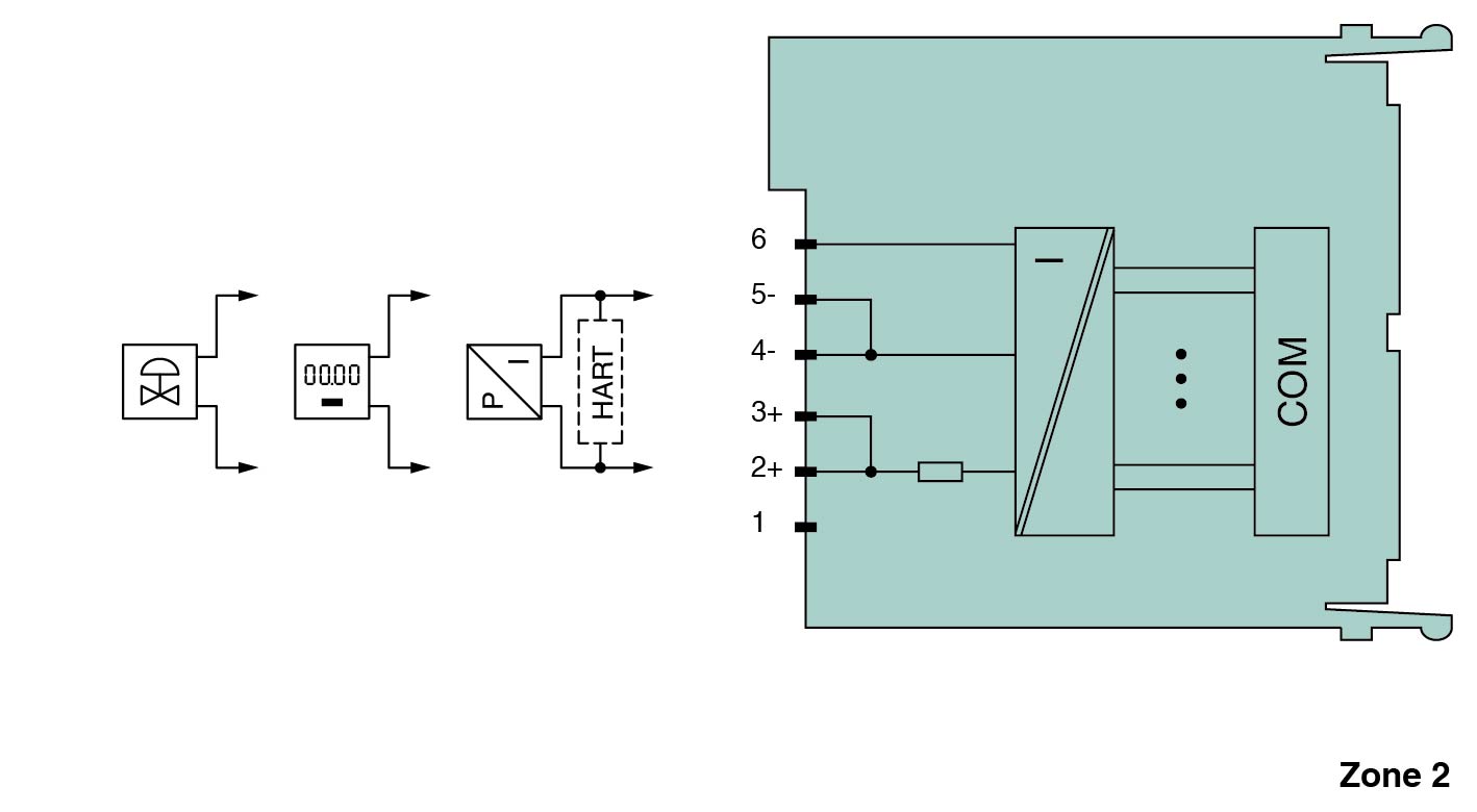
Hart Çıkış İzolatörü

Öne Çıkan Özellikler

1-channel

Analog output module for 0/4 mA ... 20 mA

Installation in Zone 2 or safe area

HART communication via field bus or service bus

Simulation mode for service operations (forcing)

Line fault detection (LFD)

Permanently self-monitoring

📄 Datasheet İndir 💬 Teklif Al

WhatsApp
Ankasan
Çevrimiçi

Merhaba 👋
Size nasıl yardımcı olabiliriz?