Şirket Logosu
Sağ Logo
Ankasan Sensör Teknolojileri – LB4102C2 254724 Ürün Detayı

Pepperl Fuchs > Tehlikeli Alan Ürünleri ve Çözümleri > Tehlikeli Alanlar için SIL Uyumlu Ürünler > SIL Seviyesi 2

LB4102C2 - 254724

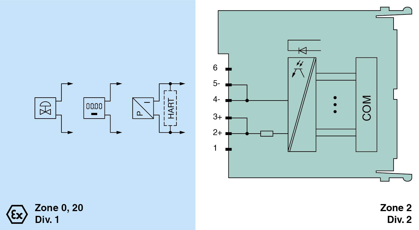
Kapatma Girişli Hart Çıkış İzolatörü

Öne Çıkan Özellikler

1-channel

Output Ex ia

Mounting in Zone 2, Class I/Div.2 or in the safe area

Module can be exchanged under voltage

Analog output module for 0/4 mA ... 20 mA

HART communication via field bus or service bus

Simulation mode for service operations (forcing)

Line fault detection (LFD)

Permanently self-monitoring

Output with bus-independent safety shutdown

📄 Datasheet İndir 💬 Teklif Al

WhatsApp
Ankasan
Çevrimiçi

Merhaba 👋
Size nasıl yardımcı olabiliriz?