Şirket Logosu
Sağ Logo
Ankasan Sensör Teknolojileri – LB5102A 254808 Ürün Detayı

Pepperl Fuchs > Tehlikeli Alan Ürünleri ve Çözümleri > Remote I/O Sistemleri > LB (Zone 2, Class I/Div. 2)

LB5102A - 254808

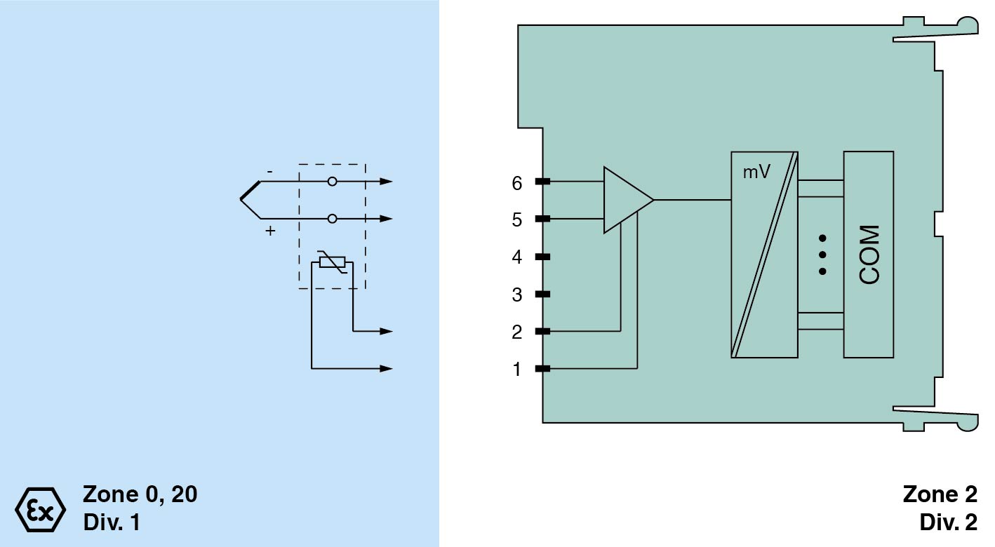
Termokupl Dönüştürücü

Öne Çıkan Özellikler

1-channel

Input Ex ia

Mounting in Zone 2, Class I/Div.2 or in the safe area

Converter for thermocouples and mV-signals

Simulation mode for service operations (forcing)

Line fault detection (LFD)

Permanently self-monitoring

Module can be exchanged under voltage

📄 Datasheet İndir 💬 Teklif Al

WhatsApp
Ankasan
Çevrimiçi

Merhaba 👋
Size nasıl yardımcı olabiliriz?