Şirket Logosu
Sağ Logo
Ankasan Sensör Teknolojileri – LB7004A 254846 Ürün Detayı

Pepperl Fuchs > Tehlikeli Alan Ürünleri ve Çözümleri > Remote I/O Sistemleri > LB (Zone 2, Class I/Div. 2)

LB7004A - 254846

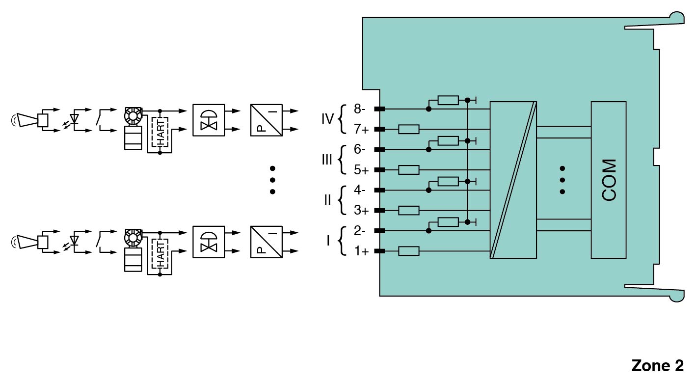
Evrensel Giriş/Çıkış (Hart)

Öne Çıkan Özellikler

4-channel

Analog input, digital input,

analog output, digital output

Installation in Zone 2 or safe area

Supply circuit 21.5 V (4 mA)

HART communication via field bus or service bus

Simulation mode for service operations (forcing)

Line fault detection (LFD): one LED per channel

Permanently self-monitoring

📄 Datasheet İndir 💬 Teklif Al

WhatsApp
Ankasan
Çevrimiçi

Merhaba 👋
Size nasıl yardımcı olabiliriz?