Şirket Logosu
Sağ Logo
Ankasan Sensör Teknolojileri – LB2116E 263859 Ürün Detayı

Pepperl Fuchs > Tehlikeli Alan Ürünleri ve Çözümleri > Remote I/O Sistemleri > LB (Zone 2, Class I/Div. 2)

LB2116E - 263859

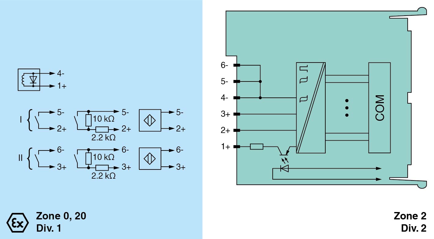
Pozisyon Geri Bildirimli Dijital Çıkış

Öne Çıkan Özellikler

1-channel

1 digital output, 2 digital inputs

Mounting in Zone 2, Class I/Div.2 or in the safe area

Inputs and output Ex ia

Line fault detection switched on and off

Positive or negative logic selectable

Simulation mode for service operations (forcing)

Permanently self-monitoring

Output with watchdog

Output with bus-independent safety shutdown

Module can be exchanged under voltage

📄 Datasheet İndir 💬 Teklif Al

WhatsApp
Ankasan
Çevrimiçi

Merhaba 👋
Size nasıl yardımcı olabiliriz?