Şirket Logosu
Sağ Logo
Ankasan Sensör Teknolojileri – LB6116E 263862 Ürün Detayı

Pepperl Fuchs > Tehlikeli Alan Ürünleri ve Çözümleri > Remote I/O Sistemleri > LB (Zone 2, Class I/Div. 2)

LB6116E - 263862

Kapatma Girişli Dijital Çıkış

Öne Çıkan Özellikler

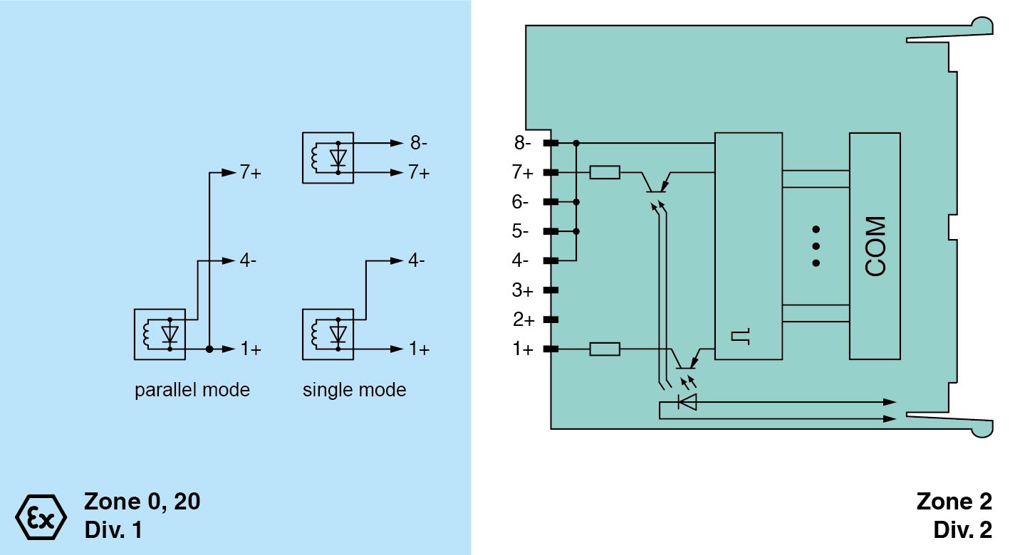
2-channel

Outputs Ex ia

Mounting in Zone 2, Class I/Div.2 or in the safe area

Line fault detection switched on and off

Positive or negative logic selectable

Simulation mode for service operations (forcing)

Permanently self-monitoring

Output with watchdog

Output with bus-independent safety shutdown

Module can be exchanged under voltage (hot swap)

📄 Datasheet İndir 💬 Teklif Al

WhatsApp
Ankasan
Çevrimiçi

Merhaba 👋
Size nasıl yardımcı olabiliriz?