Şirket Logosu
Sağ Logo
Ankasan Sensör Teknolojileri – IQT1-18GM-R4-V1 265935 Ürün Detayı

Pepperl Fuchs > Endüstriyel Sensörler > RFID ve Optik Tanımlama > RFID Okuma/Yazma Cihazları

IQT1-18GM-R4-V1 - 265935

Rfid Okuma/Yazma Cihazı

Öne Çıkan Özellikler

Operating frequency 13.56 MHz

Conforms to ISO 15693

Suitable for FRAM transponder

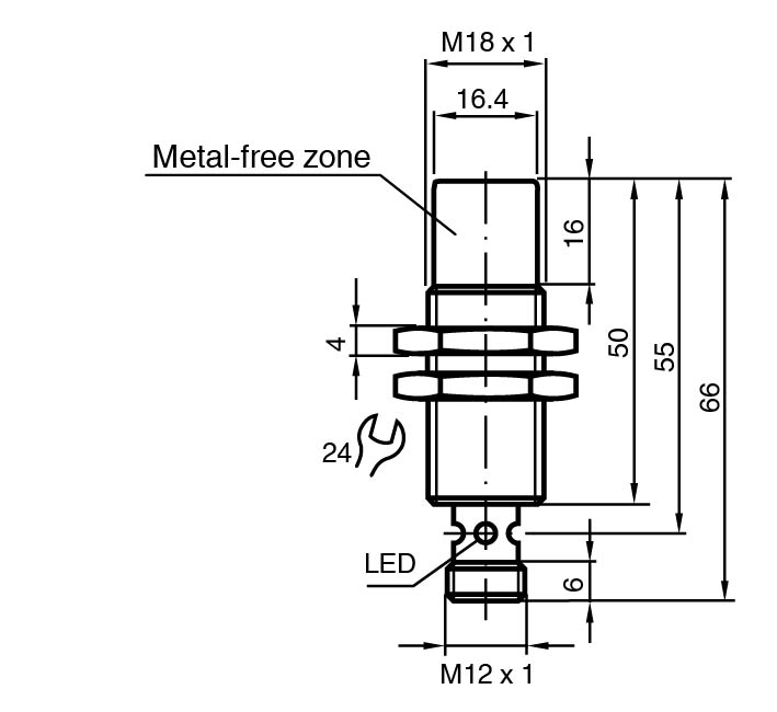
Read/write head with thread M18 x 1

Connection via V1 (M12 x 1) plug connection

Multihole-LED for function display

Degree of protection IP67

Connection via integrated RS-485 interface

📄 Datasheet İndir 💬 Teklif Al

WhatsApp
Ankasan
Çevrimiçi

Merhaba 👋
Size nasıl yardımcı olabiliriz?