Şirket Logosu
Sağ Logo
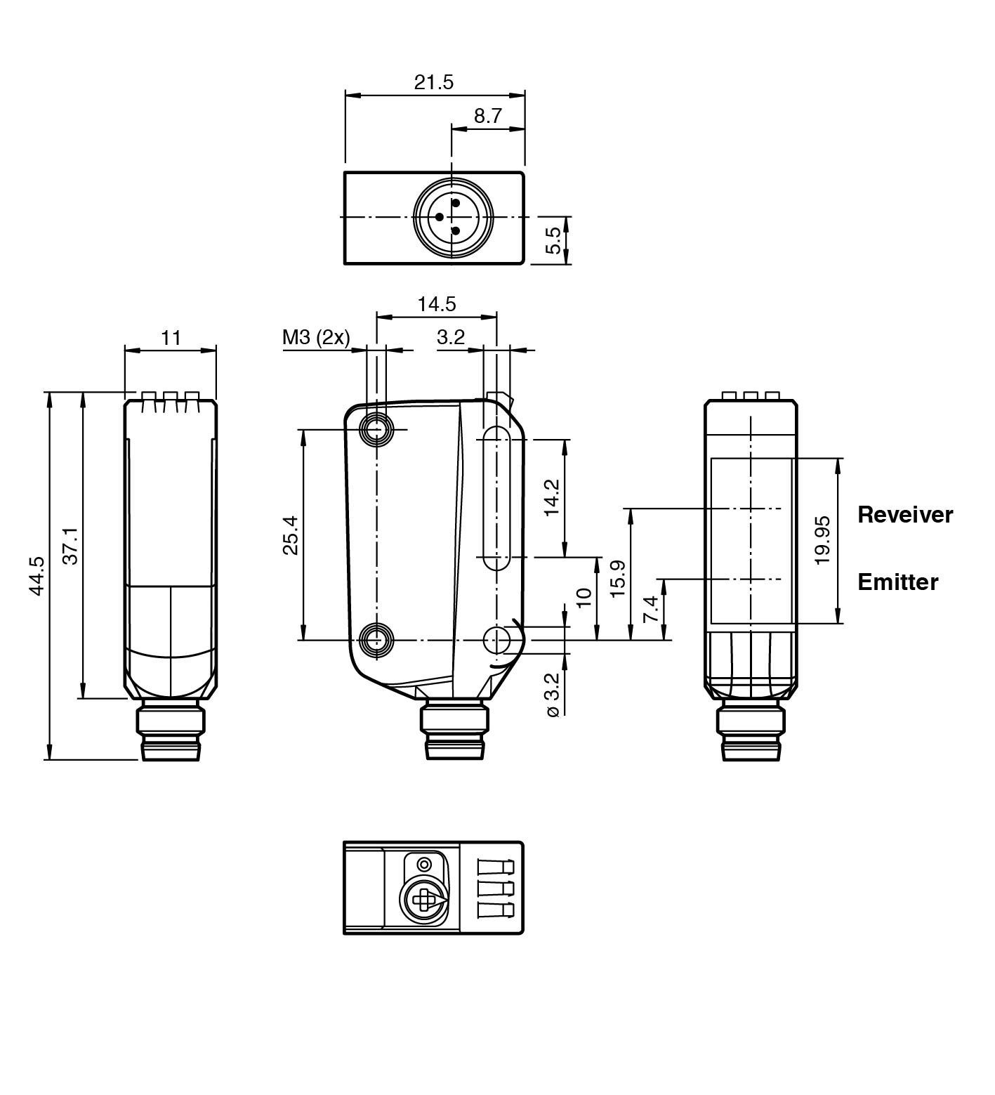
Ankasan Sensör Teknolojileri – OBT300-R100-EP-IO-V3-1T-L 267075-0090 Ürün Detayı

Pepperl Fuchs > Endüstriyel Haberleşme ve Arayüzler > IO-Link > IO-Link Cihazları

OBT300-R100-EP-IO-V3-1T-L - 267075-0090

Üçgenleme Sensörü (Bge)

Öne Çıkan Özellikler

Miniature design with versatile mounting options

Secure and gapless detection, even near the surface through background evaluation

DuraBeam Laser Sensors - durable and employable like an LED

Extended temperature range

-40 °C ... 60 °C

High degree of protection IP69K

IO-Link interface for service and process data

📄 Datasheet İndir 💬 Teklif Al

WhatsApp
Ankasan
Çevrimiçi

Merhaba 👋
Size nasıl yardımcı olabiliriz?