Şirket Logosu
Sağ Logo
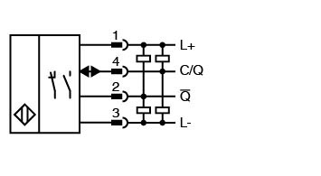
Ankasan Sensör Teknolojileri – OBD1000-R100-2EP-IO-0,3M-V1 267075-100038 Ürün Detayı

Pepperl Fuchs > Endüstriyel Haberleşme ve Arayüzler > IO-Link > IO-Link Cihazları

OBD1000-R100-2EP-IO-0,3M-V1 - 267075-100038

Cisimden Yansımalı Sensör

Öne Çıkan Özellikler

Miniature design with versatile mounting options

Extended temperature range

-40 °C ... 60 °C

High degree of protection IP69K

IO-Link interface for service and process data

📄 Datasheet İndir 💬 Teklif Al

WhatsApp
Ankasan
Çevrimiçi

Merhaba 👋
Size nasıl yardımcı olabiliriz?