Şirket Logosu
Sağ Logo
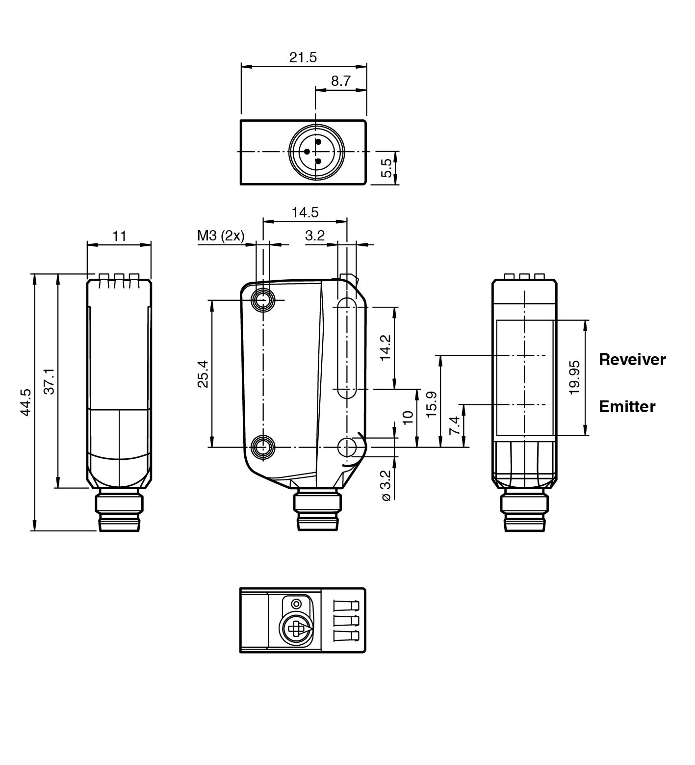
Ankasan Sensör Teknolojileri – OQT150-R100-EP-IO-V3-L 267075-100159 Ürün Detayı

Pepperl Fuchs > Endüstriyel Haberleşme ve Arayüzler > IO-Link > IO-Link Cihazları

OQT150-R100-EP-IO-V3-L - 267075-100159

Üçgenleme Sensörü (Sbr)

Öne Çıkan Özellikler

Miniature design with versatile mounting options

Multi Pixel Technology (MPT) - flexibility and adaptability

Reduction of device variety - several switch points within one sensor

DuraBeam Laser Sensors - durable and employable like an LED

Reliable detection of all surfaces, independent of color and structure

IO-Link interface for service and process data

📄 Datasheet İndir 💬 Teklif Al

WhatsApp
Ankasan
Çevrimiçi

Merhaba 👋
Size nasıl yardımcı olabiliriz?