Şirket Logosu
Sağ Logo
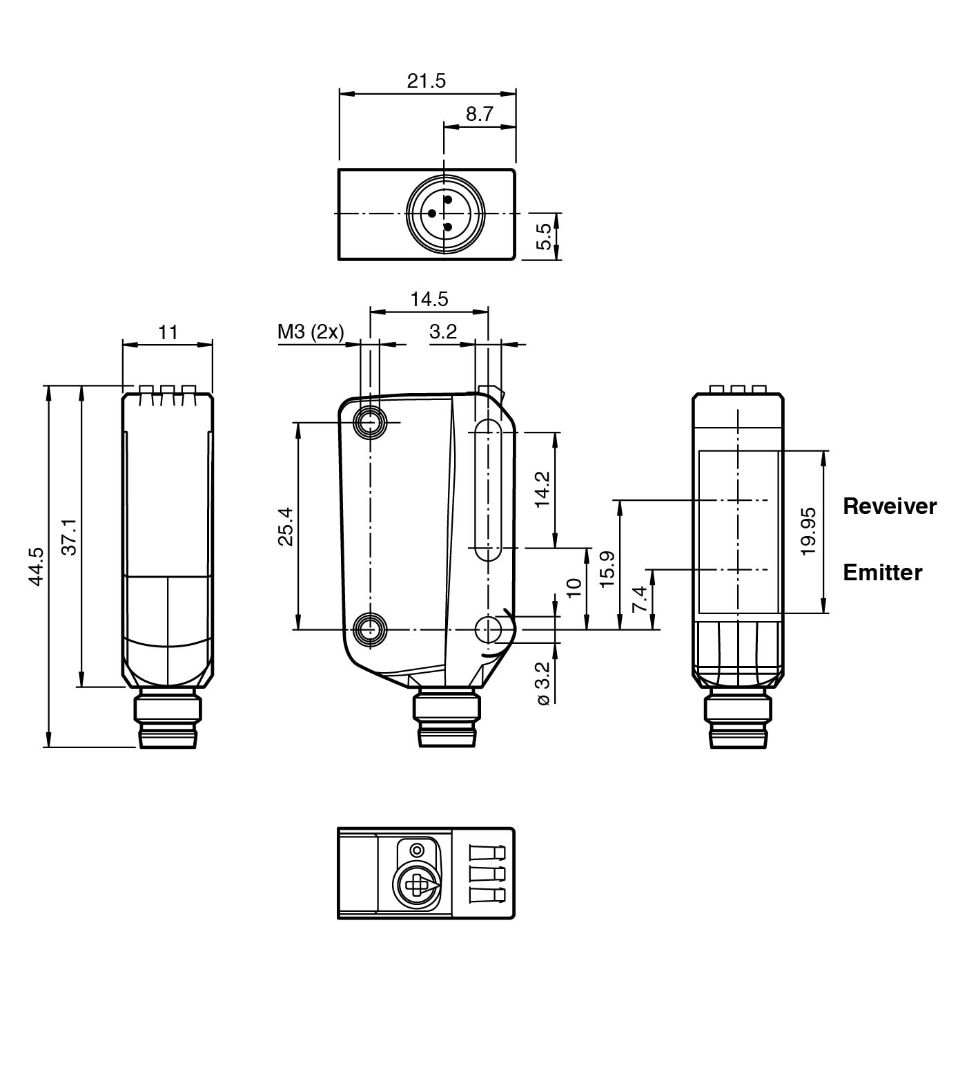
Ankasan Sensör Teknolojileri – OBT100-R100-EP-IO-V3-L 267075-100228 Ürün Detayı

Pepperl Fuchs > Endüstriyel Haberleşme ve Arayüzler > IO-Link > IO-Link Cihazları

OBT100-R100-EP-IO-V3-L - 267075-100228

Üçgenleme Sensörü (Bgs)

Öne Çıkan Özellikler

Miniature design with versatile mounting options

DuraBeam Laser Sensors - durable and employable like an LED

Extended temperature range

-40 °C ... 60 °C

High degree of protection IP69K

IO-Link interface for service and process data

📄 Datasheet İndir 💬 Teklif Al

WhatsApp
Ankasan
Çevrimiçi

Merhaba 👋
Size nasıl yardımcı olabiliriz?