Şirket Logosu
Sağ Logo
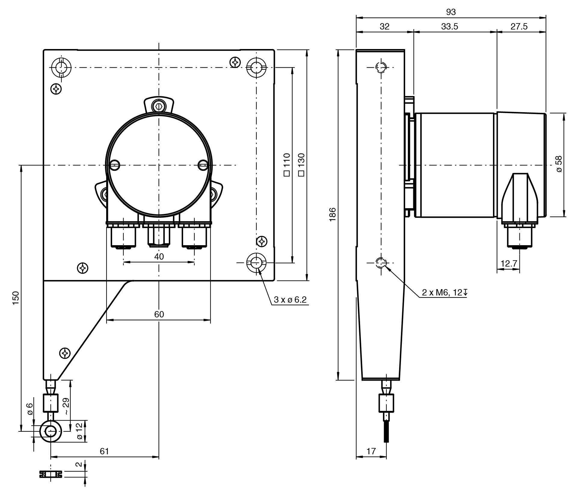
Ankasan Sensör Teknolojileri – ECA10TL-05BNP-B25AZ:OE 270910-100300 Ürün Detayı

Pepperl Fuchs > Endüstriyel Haberleşme ve Arayüzler > Endüstriyel Ethernet > Ethernet Cihazları

ECA10TL-05BNP-B25AZ:OE - 270910-100300

Cable Pull Döner Enkoder

Öne Çıkan Özellikler

Solid yet lightweight plastic construction

Compact, slim design (the shaft of the mounted döner enkoder is used to provide the function of the drum bearing)

Coupling-free adaptation

Wide range of mounting options

Rust and acid-resistant measuring cable

Very high level of linearity and repeatability

EtherNet/IP

Status LEDs

Compatible with Rockwell/ Allen Bradley/ Schneider control

📄 Datasheet İndir 💬 Teklif Al

WhatsApp
Ankasan
Çevrimiçi

Merhaba 👋
Size nasıl yardımcı olabiliriz?