Şirket Logosu
Sağ Logo
Ankasan Sensör Teknolojileri – FB6210ER 276337 Ürün Detayı

Pepperl Fuchs > Tehlikeli Alan Ürünleri ve Çözümleri > Tehlikeli Alanlar için SIL Uyumlu Ürünler > SIL Seviyesi 2

FB6210ER - 276337

Kapatma Girişli Dijital Çıkış

Öne Çıkan Özellikler

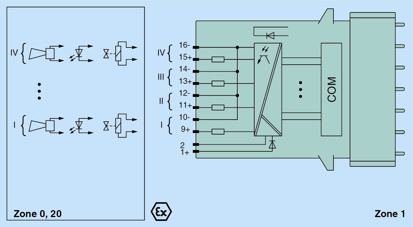
4-channel

Outputs Ex ia

Installation in suitable Muhafazalar in Zone 1

Module can be exchanged under voltage (hot swap)

Line fault detection (LFD)

Positive or negative logic selectable

Simulation mode for service operations (forcing)

Permanently self-monitoring

Output with watchdog

Output with bus-independent safety shutdown input

📄 Datasheet İndir 💬 Teklif Al

WhatsApp
Ankasan
Çevrimiçi

Merhaba 👋
Size nasıl yardımcı olabiliriz?