Şirket Logosu
Sağ Logo
Ankasan Sensör Teknolojileri – LB6017E 281974 Ürün Detayı

Pepperl Fuchs > Tehlikeli Alan Ürünleri ve Çözümleri > Remote I/O Sistemleri > LB (Zone 2, Class I/Div. 2)

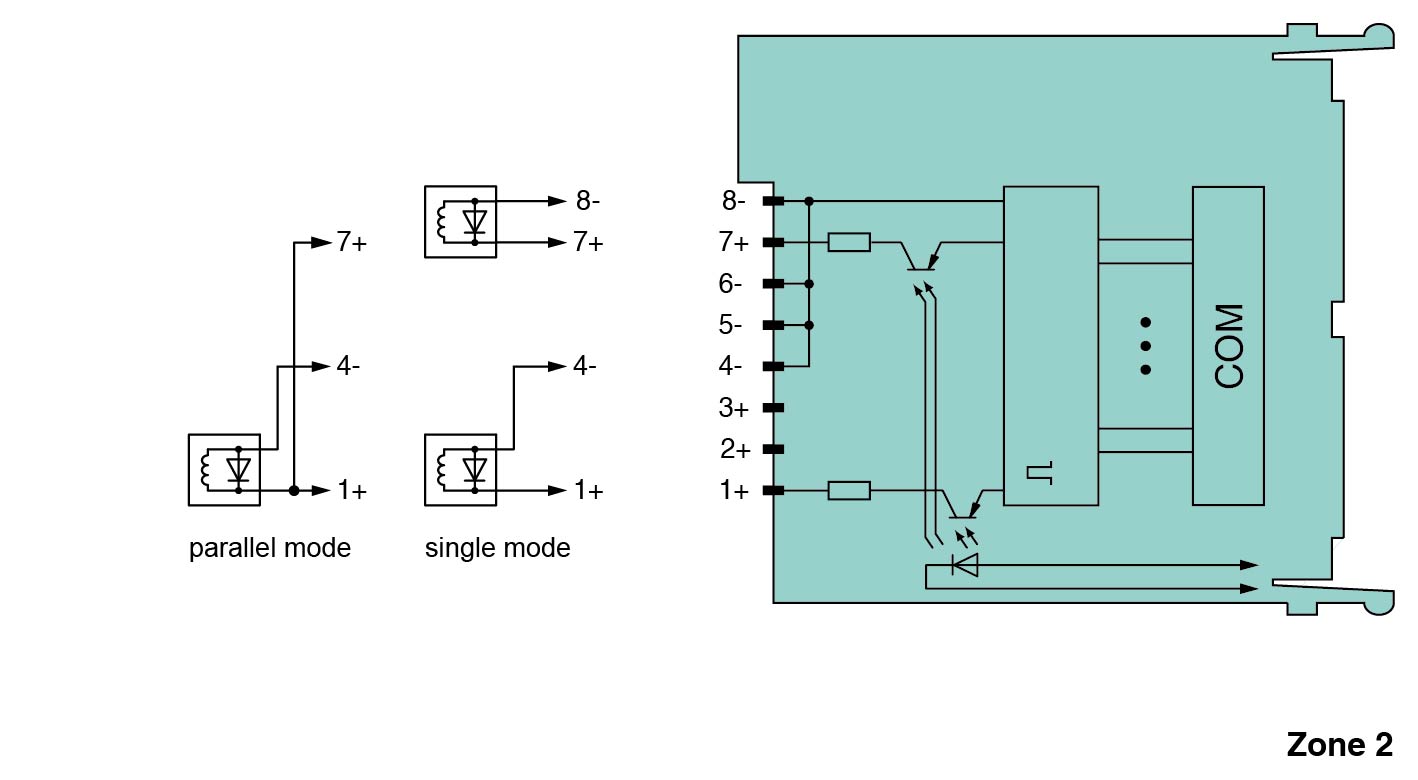
LB6017E - 281974

Kapatma Girişli Dijital Çıkış

Öne Çıkan Özellikler

2-channel

Outputs Ex ic

Installation in Zone 2 or safe area

Line fault detection switched on and off

Positive or negative logic selectable

Simulation mode for service operations (forcing)

Permanently self-monitoring

Output with watchdog

Output with bus-independent safety shutdown

Module can be exchanged under voltage (hot swap)

📄 Datasheet İndir 💬 Teklif Al

WhatsApp
Ankasan
Çevrimiçi

Merhaba 👋
Size nasıl yardımcı olabiliriz?