Şirket Logosu
Sağ Logo
Ankasan Sensör Teknolojileri – FB2216E3 282275 Ürün Detayı

Pepperl Fuchs > Tehlikeli Alan Ürünleri ve Çözümleri > Remote I/O Sistemleri > FB (Zone 1)

FB2216E3 - 282275

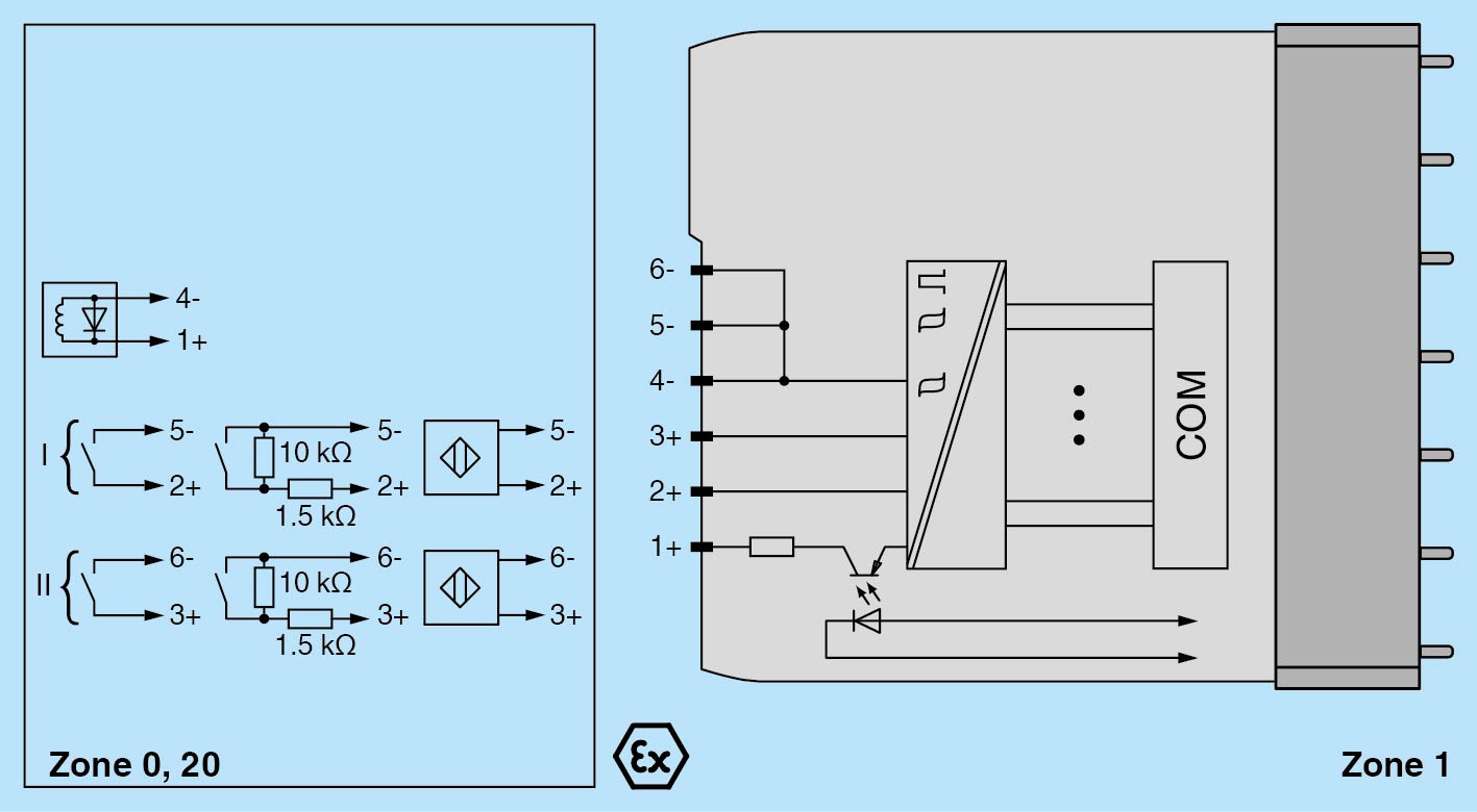
Pozisyon Geri Bildirimli Dijital Çıkış

Öne Çıkan Özellikler

1-channel

1 digital output, 2 digital inputs

Inputs and output Ex ia

Installation in suitable Muhafazalar in Zone 1

Module can be exchanged under voltage (hot swap)

Line fault detection switched on and off

Positive or negative logic selectable

Simulation mode for service operations (forcing)

Permanently self-monitoring

Output with watchdog

Output with bus-independent safety shutdown input

📄 Datasheet İndir 💬 Teklif Al

WhatsApp
Ankasan
Çevrimiçi

Merhaba 👋
Size nasıl yardımcı olabiliriz?