Şirket Logosu
Sağ Logo
Ankasan Sensör Teknolojileri – LB6006A2 283188 Ürün Detayı

Pepperl Fuchs > Tehlikeli Alan Ürünleri ve Çözümleri > Remote I/O Sistemleri > LB (Zone 2, Class I/Div. 2)

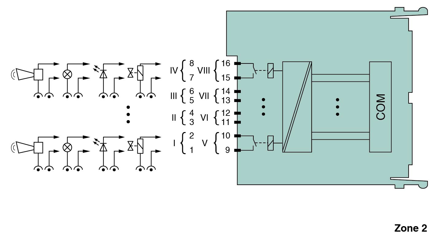
LB6006A2 - 283188

Röle Çıkışı

Öne Çıkan Özellikler

8-channel

Installation in Zone 2 or safe area

Positive or negative logic selectable

Simulation mode for service operations (forcing)

Permanently self-monitoring

Output with watchdog

📄 Datasheet İndir 💬 Teklif Al

WhatsApp
Ankasan
Çevrimiçi

Merhaba 👋
Size nasıl yardımcı olabiliriz?