Şirket Logosu
Sağ Logo
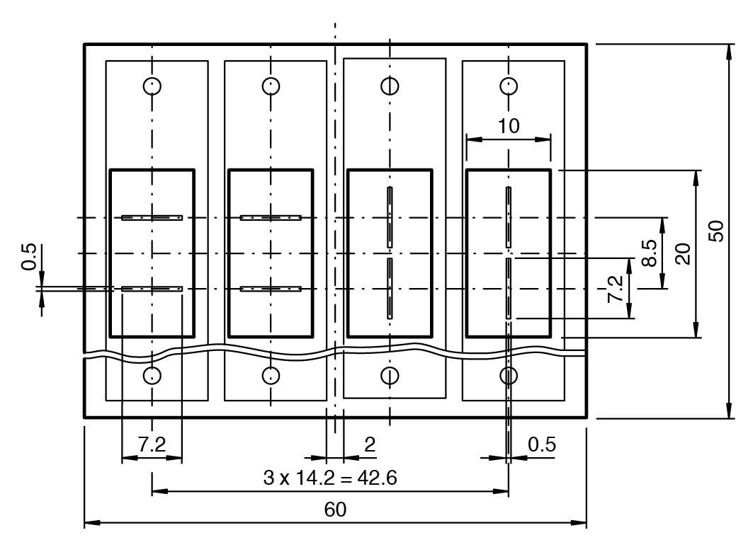
Ankasan Sensör Teknolojileri – MH-R101-02 Aperture-V-H 0.5 mm 288603 Ürün Detayı

Pepperl Fuchs > Endüstriyel Sensörler > Fotoelektrik Sensörler > Aksesuarlar

MH-R101-02 Aperture-V-H 0.5 mm - 288603

Yarık Diyafram

Öne Çıkan Özellikler

Slit aperture to shape the light in miniature sensors

Facilitates the detection of very small parts

Min. object size 0.5 mm

Self-adhesive mounting

📄 Datasheet İndir 💬 Teklif Al

WhatsApp
Ankasan
Çevrimiçi

Merhaba 👋
Size nasıl yardımcı olabiliriz?