Şirket Logosu
Sağ Logo
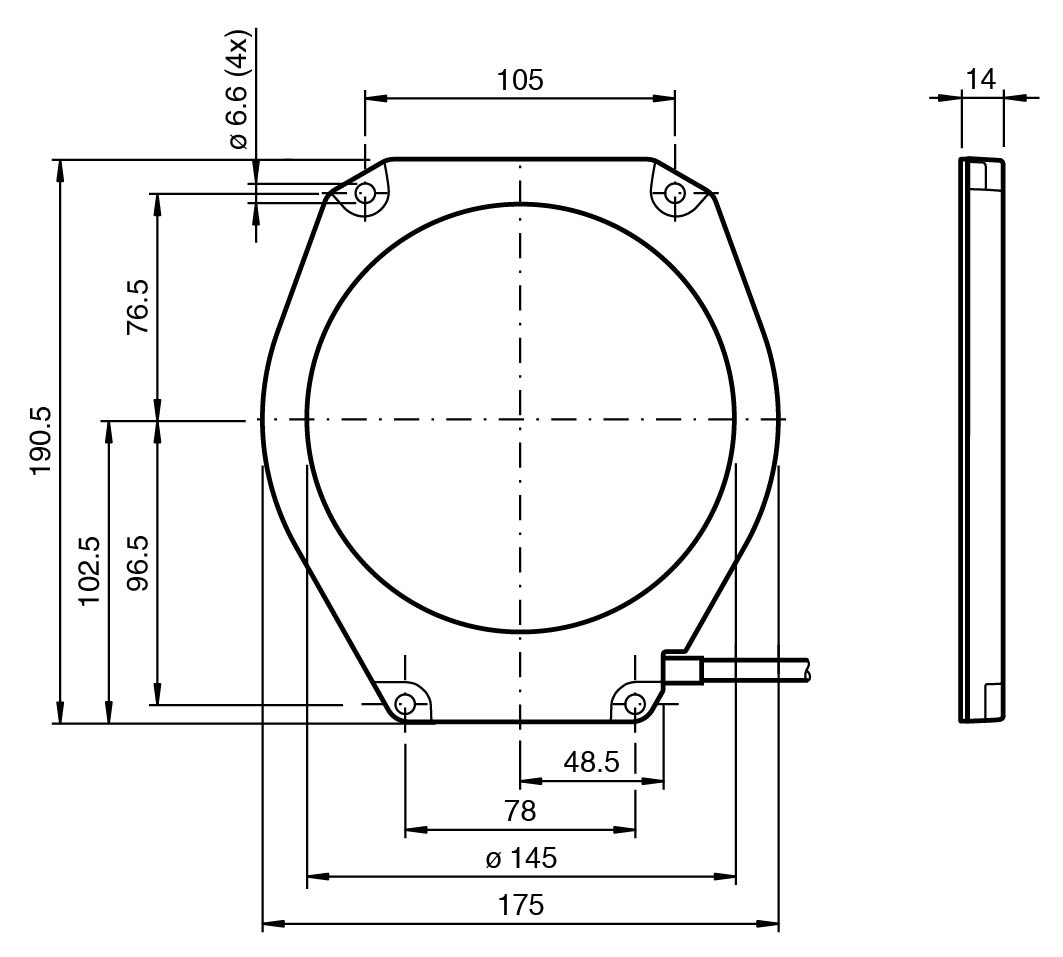
Ankasan Sensör Teknolojileri – IQH1-F198-M-V1 289757 Ürün Detayı

Pepperl Fuchs > Endüstriyel Sensörler > RFID ve Optik Tanımlama > RFID Okuma/Yazma Cihazları

IQH1-F198-M-V1 - 289757

Rfid Okuma/Yazma Cihazı

Öne Çıkan Özellikler

Operating frequency 13.56 MHz

Conforms to ISO 15693

Suitable for FRAM transponder

Particularly flat construction

Connection cable with V1 plug (M12 x 1)

Degree of protection IP67

Can be mounted on metal

For connection to IDENTControl evaluation unit

📄 Datasheet İndir 💬 Teklif Al

WhatsApp
Ankasan
Çevrimiçi

Merhaba 👋
Size nasıl yardımcı olabiliriz?