Şirket Logosu
Sağ Logo
Ankasan Sensör Teknolojileri – PL3-F25-N4-K 291801 Ürün Detayı

Pepperl Fuchs > Tehlikeli Alan Ürünleri ve Çözümleri > Tehlikeli Alanlar İçin Sensörler > Endüktif Sensörler

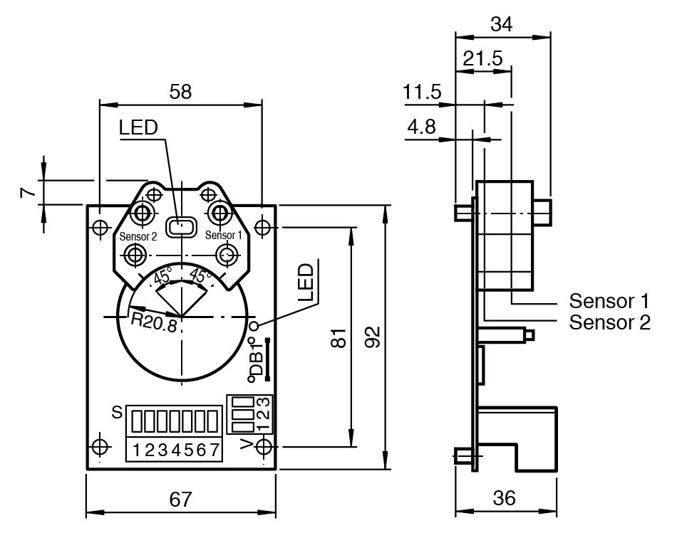
PL3-F25-N4-K - 291801

Endüktif Sensör

Öne Çıkan Özellikler

For installation in housing

PL3... with valve and screen connection

Valve LEDs disconnectable (wire jumper)

ATEX & IECEX certifications

📄 Datasheet İndir 💬 Teklif Al

WhatsApp
Ankasan
Çevrimiçi

Merhaba 👋
Size nasıl yardımcı olabiliriz?