Şirket Logosu
Sağ Logo
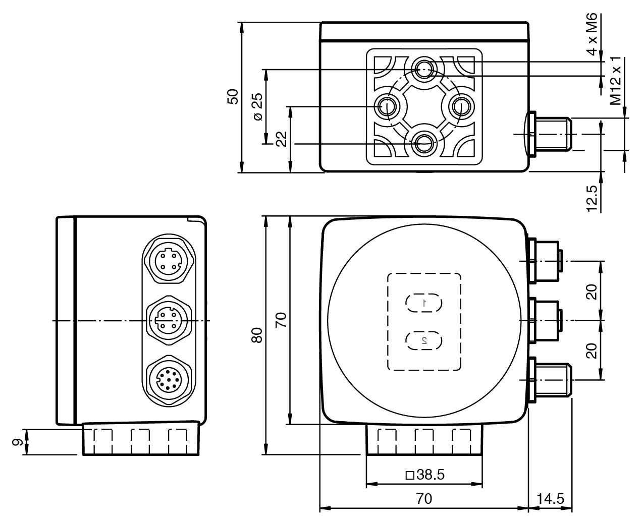
Ankasan Sensör Teknolojileri – PXV100I-F200-B25-V1D 293431-100010 Ürün Detayı

Pepperl Fuchs > Endüstriyel Haberleşme ve Arayüzler > Endüstriyel Ethernet > Ethernet Cihazları

PXV100I-F200-B25-V1D - 293431-100010

Optik Okuma Başlığı

Öne Çıkan Özellikler

EtherNet/IP

Non-contact positioning on Data Matrix code tape

Mechanically rugged: no wearing parts, long operating life, maintenance-free

High resolution and precise positioning, especially for facilities with curves and switch points as well as inclines and declines.

Integrated switch

Travel ranges up to 10 km

📄 Datasheet İndir 💬 Teklif Al

WhatsApp
Ankasan
Çevrimiçi

Merhaba 👋
Size nasıl yardımcı olabiliriz?