Şirket Logosu
Sağ Logo
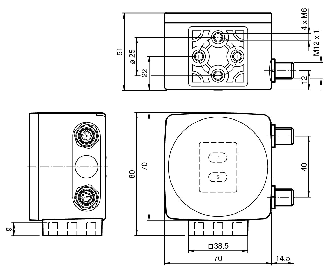
Ankasan Sensör Teknolojileri – PXV100AS-F200-SSI-V19-6011 293431-100021 Ürün Detayı

Pepperl Fuchs > Endüstriyel Sensörler > Görüntü Sensörleri > Konumlandırma Sistemleri

PXV100AS-F200-SSI-V19-6011 - 293431-100021

Optik Okuma Başlığı

Öne Çıkan Özellikler

SSI interface

Non-contact positioning on 2-colored Data Matrix code tapes

Mechanically rugged: no wearing parts, long operating life, maintenance-free

High resolution and precise positioning, especially for facilities with curves and switch points as well as inclines and declines.

Ideal for application in combination with SafePXV

📄 Datasheet İndir 💬 Teklif Al

WhatsApp
Ankasan
Çevrimiçi

Merhaba 👋
Size nasıl yardımcı olabiliriz?